Operation CHARM: Car repair manuals for everyone.
Manuals through 2025 now available!

Our trusted friends have launched a new website named LEMON, which has newer manuals. It also contains all the CHARM manuals.

LEMON is the spiritual successor to CHARM, I recommend you try it!

Link: lemon-manuals.la or lemon-manuals.org.ua

(Some people have issue connecting. LEMON is investigating. For now, use Firefox or change your DNS server)

Or, hide this message: temporarily or permanently

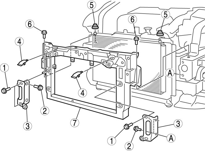
Radiator Support: Service and Repair




SHROUD PANEL REMOVAL/INSTALLATION

1. Disconnect the negative battery cable.

2. Remove the following parts:
a. Front bumper (See Removal and Replacement)

b. Front combination lights (See Service and Repair)

c. Front bumper reinforcement (See Service and Repair)

d. Hood latch (See Service and Repair)

e. Hood stay (See Service and Repair)

3. Put the oil cooler aside.

4. Remove in the order indicated in the table.










5. Install in the reverse order of removal.

Upper Mount Rubber Bracket

1. Remove the upper mount rubber bracket while pressing down the upper mount rubber bracket tab in the direction of the arrow.