Operation CHARM: Car repair manuals for everyone.
Manuals through 2025 now available!

Our trusted friends have launched a new website named LEMON, which has newer manuals. It also contains all the CHARM manuals.

LEMON is the spiritual successor to CHARM, I recommend you try it!

Link: lemon-manuals.la or lemon-manuals.org.ua

(Some people have issue connecting. LEMON is investigating. For now, use Firefox or change your DNS server)

Or, hide this message: temporarily or permanently

Relay Box: Testing and Inspection




RELAY INSPECTION

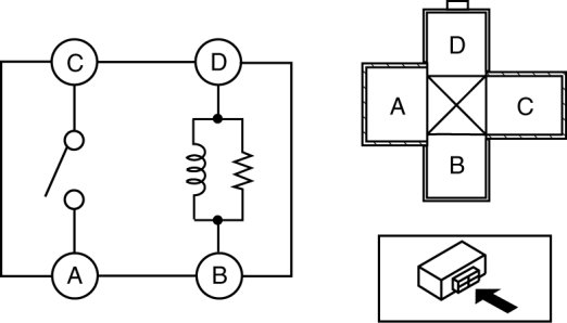
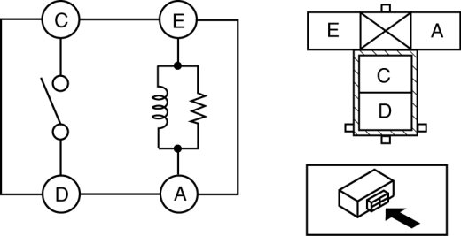
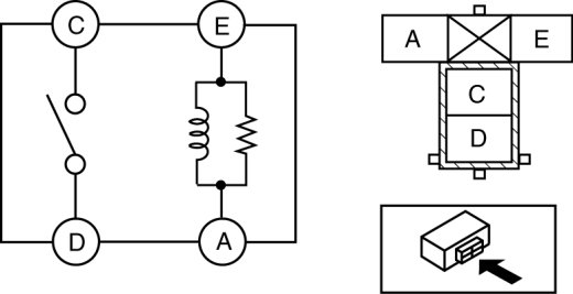
Relay type





Type A

1. Verify the continuity between the relay terminals.






- If not as indicated in the table, replace the relay.





Type B

1. Verify the continuity between the relay terminals.






- If not as indicated in the table, replace the relay.





Type C

1. Verify the continuity between the relay terminals.






- If not as indicated in the table, replace the relay.