Operation CHARM: Car repair manuals for everyone.
Manuals through 2025 now available!

Our trusted friends have launched a new website named LEMON, which has newer manuals. It also contains all the CHARM manuals.

LEMON is the spiritual successor to CHARM, I recommend you try it!

Link: lemon-manuals.la or lemon-manuals.org.ua

(Some people have issue connecting. LEMON is investigating. For now, use Firefox or change your DNS server)

Or, hide this message: temporarily or permanently

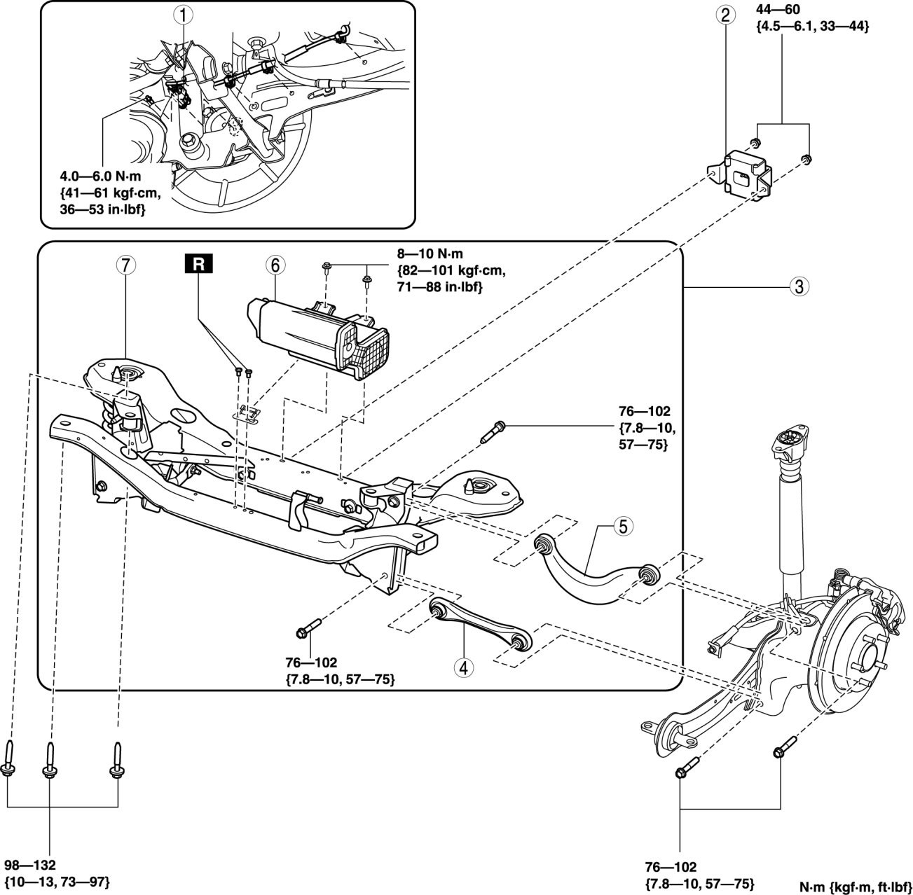
Rear Cross-Member: Service and Repair




REAR CROSSMEMBER REMOVAL/INSTALLATION

CAUTION:
- Performing the following procedures without first removing the ABS wheel-speed sensor may possibly cause an open circuit in the wiring harness if it is pulled by mistake. Before performing the following procedures, disconnect the ABS wheel-speed sensor wiring harness connector (axle side) and fix the wiring harness to an appropriate place where it will not be pulled by mistake while servicing the vehicle.

1. Disconnect the evaporative hose.






2. Disconnect the quick release connectors. Service and Repair Service and Repair






3. Remove the CV solenoid valve from the rear crossmember.






4. Disconnect the wiring harness connecting to the rear crossmember.






5. Remove the rear auto leveling sensor. (Vehicles with AFS) Service and Repair

6. Remove the rear stabilizer. Rear Suspension - Stabilizer Removal/Installation

7. Remove the rear coil spring. Rear Suspension - Coil Spring Removal/Installation

8. Remove the rear lower arm. Rear Suspension - Lower Arm Removal/Installation

9. Remove in the order indicated in the table.

10. Install in the reverse order of removal.

11. Inspect the wheel alignment and adjust it if necessary. Rear Wheel Alignment









Rear Crossmember Component Removal Note

WARNING:
1 Verify that the crossmember is securely supported by a jack. If the rear crossmember falls off, it can cause serious injury or death, and damage to the vehicle.

1. Support the rear crossmember with the jack and remove the bolt.






2. Remove the rear crossmember component.

Rear Crossmember Component Installation Note

WARNING:
1 Verify that the crossmember is securely supported by a jack. If the rear crossmember falls off, it can cause serious injury or death, and damage to the vehicle.

1. Support the rear crossmember component and install the rear crossmember.






Rear ABS Wheel-speed Sensor Wiring Harness Installation Note

1. Pass the rear ABS wheel-speed sensor wiring harness outside the rear parking brake cable as shown in the figure.






2. Install the rear ABS wheel-speed sensor wiring harness.