Operation CHARM: Car repair manuals for everyone.
Manuals through 2025 now available!

Our trusted friends have launched a new website named LEMON, which has newer manuals. It also contains all the CHARM manuals.

LEMON is the spiritual successor to CHARM, I recommend you try it!

Link: lemon-manuals.la or lemon-manuals.org.ua

(Some people have issue connecting. LEMON is investigating. For now, use Firefox or change your DNS server)

Or, hide this message: temporarily or permanently

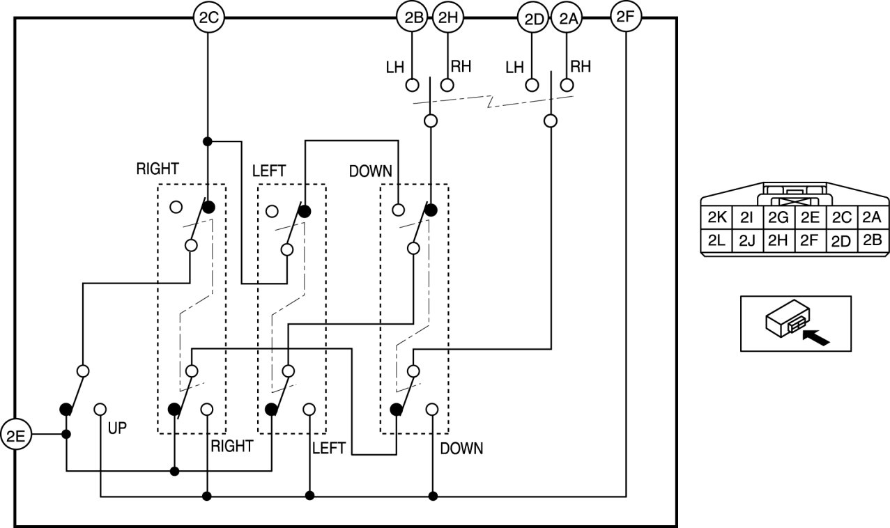
Power Mirror Switch: Testing and Inspection




POWER OUTER MIRROR SWITCH INSPECTION

1. Disconnect the negative battery cable.

2. Remove the following parts:
a. Inner garnish Inner Garnish Removal/Installation

b. Front door trim Front Door Trim Removal/Installation

c. Switch panel Overhaul

3. Verify that the continuity between the power outer mirror switch terminals is as indicated in the table.

- If not as indicated in the table, replace the power outer mirror switch.