Operation CHARM: Car repair manuals for everyone.
Manuals through 2025 now available!

Our trusted friends have launched a new website named LEMON, which has newer manuals. It also contains all the CHARM manuals.

LEMON is the spiritual successor to CHARM, I recommend you try it!

Link: lemon-manuals.la or lemon-manuals.org.ua

(Some people have issue connecting. LEMON is investigating. For now, use Firefox or change your DNS server)

Or, hide this message: temporarily or permanently

Cylinder Head Assembly: Service and Repair




CYLINDER HEAD GASKET REPLACEMENT [L3 WITH TC]

WARNING:
- Fuel vapor is hazardous. It can very easily ignite, causing serious injury and damage. Always keep sparks and flames away from fuel.
- Fuel line spills and leakage are dangerous. Fuel can ignite and cause serious injuries or death and damage. Fuel can also irritate skin and eyes. To prevent this, always complete the "Fuel Line Safety Procedure". Before Service Precaution

1. Remove the intake manifold. Service and Repair

2. Remove the exhaust manifold. Service and Repair

3. Remove the generator. Removal and Replacement

4. Disconnect the heater hose. Removal and Replacement

5. Disconnect the upper radiator hose. Service and Repair

6. Remove the timing chain. Service and Repair

7. Disconnect the connectors and the wiring harnesses related to the cylinder head gasket removal/installation.

8. To firmly support the engine, first set the engine jack to the oil pan.






9. Remove in the order indicated in the table.

10. Install in the reverse order of removal.

11. Bleed the air from the cooling system. Service and Repair

12. Inspect the compression. Testing and Inspection










Camshaft Removal Note

1. Loosen the camshaft cap bolts in 2-3 steps in the order shown in the figure.






NOTE:
- The camshaft caps are to be kept ordered for correct reassembly in their original positions. Do not mix the caps.

Cylinder Head Removal Note

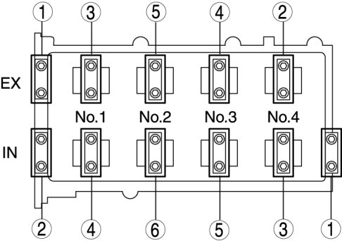
1. Loosen the cylinder head bolts in 2-3 steps in the order shown in the figure.






Cylinder Head Installation Note

1. Measure the length of each cylinder head bolt.






- Replace any cylinder head bolts that exceed the maximum length.

Cylinder head bolt stem length
- Standard: 144.7-145.3 mm {5.697-5.720 in}
- Maximum: 146 mm {5.74 in}





2. Tighten the cylinder head bolts in 5 steps in the order shown in the figure using the SST (49 D032 316).

Tightening torque
- Step 1: 3-11 Nm {31-112 kgf-cm, 27-97 in-lbf}
- Step 2: 13-17 Nm {133-173 kgf-cm, 116-150 in-lbf}
- Step 3: 43-47 Nm {4.4-4.7 kgf-m, 32-34 ft-lbf}
- Step 4: 88-92°
- Step 5: 88-92°

Camshaft Installation Note

1. Apply the gear oil (SAE No. 90 or equivalent) to each journal of the cylinder head as shown in the figure.






2. With No.1 cylinder cam aligned at TDC of the compression stroke, install the camshafts.

3. Apply the gear oil (SAE No. 90 or equivalent) to each journal of the camshaft as shown in the figure. However, do not apply it to the end journal of the intake camshaft.






4. Carefully apply adhesive agent (Loctite 518 or 962T) to the area indicated in the figure so that it does not leak into the sliding part, then apply the gear oil (SAE No. 90 or equivalent) to the journal.






Adhesive agent thickness
- 0.5-1.5 mm {0.02-0.05 in}

5. Temporarily tighten the camshaft cap bolts evenly in 2-3 steps.
NOTE:
- Do not tighten the bolts during this step.

6. Tighten the camshaft cap bolts in two steps in the order shown in the figure.






Tightening torque
- Step 1: 5.0-9.0 Nm {51-91 kgf-cm, 45-79 in-lbf}
- Step 2: 14-17 Nm {1.5-1.7 kgf-m, 11-12 ft-lbf}