Operation CHARM: Car repair manuals for everyone.
Manuals through 2025 now available!

Our trusted friends have launched a new website named LEMON, which has newer manuals. It also contains all the CHARM manuals.

LEMON is the spiritual successor to CHARM, I recommend you try it!

Link: lemon-manuals.la or lemon-manuals.org.ua

(Some people have issue connecting. LEMON is investigating. For now, use Firefox or change your DNS server)

Or, hide this message: temporarily or permanently

Power Transistor HVAC: Testing and Inspection




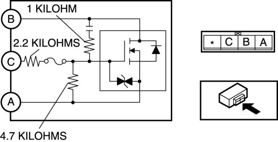
POWER METAL OXIDE SEMICONDUCTOR FIELD EFFECT TRANSISTOR (POWER MOS FET) INSPECTION [FULL-AUTO AIR CONDITIONER]

1. Verify that the continuity between the power MOS FET terminals is as indicated in the table.






- If there is any malfunction, replace the power MOS FET.
- If the blower motor operation is not normal even though no malfunction can be verified, inspect the climate control unit. Full-Auto Air Conditioner