Operation CHARM: Car repair manuals for everyone.
Manuals through 2025 now available!

Our trusted friends have launched a new website named LEMON, which has newer manuals. It also contains all the CHARM manuals.

LEMON is the spiritual successor to CHARM, I recommend you try it!

Link: lemon-manuals.la or lemon-manuals.org.ua

(Some people have issue connecting. LEMON is investigating. For now, use Firefox or change your DNS server)

Or, hide this message: temporarily or permanently

Variable Valve Timing Actuator: Service and Repair




VARIABLE VALVE TIMING ACTUATOR REMOVAL/INSTALLATION [L3 WITH TC]

WARNING:
- Fuel vapor is hazardous. It can very easily ignite, causing serious injury and damage. Always keep sparks and flames away from fuel.
- Fuel line spills and leakage are dangerous. Fuel can ignite and cause serious injuries or death and damage. Fuel can also irritate skin and eyes. To prevent this, always complete the "Fuel Line Safety Procedure". Before Service Precaution

CAUTION:
- Variable valve timing actuator cannot be disassembled because it is a precision unit.

1. Remove the battery cover. Removal and Replacement

2. Disconnect the negative battery cable.

3. Remove the charge air cooler. Service and Repair

4. Remove the high pressure fuel pump and high pressure fuel pump cover. High Pressure Fuel Pump Removal/Installation

5. Remove the ignition coils. Service and Repair

6. Disconnect the ventilation hose from the cylinder head cover. Service and Repair

7. Remove the cylinder head cover. Service and Repair

8. Remove the aerodynamic under cover No.2 and splash shield as a single unit. Aerodynamic Under Cover No.2 Removal/Installation Splash Shield Removal/Installation

9. Remove the drive belt. Service and Repair

10. Remove the engine front cover lower blind plug.






11. Remove the engine front cover upper blind plug.






12. Remove the cylinder block lower blind plug.






13. Rotate the crankshaft in the direction of the engine rotation until the No. 1 piston is at the point prior to top dead center (TDC) of the compression stroke.

14. Install the SST.






15. Rotate the crankshaft in the direction of the engine rotation so that the No.1 piston is at TDC of the compression stroke. (Until the counterweight contacts the SST and stops.)

16. Loosen the timing chain using the following procedure.
NOTE:
- Verify the ratchet position using the mirror before servicing. If the ratchet is not tilted, remove the engine front cover before performing the procedure. Service and Repair
- If the timing chain tension cannot be released with the ratchet tilted, remove the engine front cover before performing the procedure. Service and Repair

Ratchet unlock position






a. Insert a suitable bolt (M6 X 1.0, length 25-35 mm {1.0-1.3 in}) into the engine front cover upper blind plug hole and tighten it until it contacts the chain tensioner arm, and then rotate it back one turn. (Set the bolt slightly away from the chain tensioner arm so that it does not contact it.)






b. Using the cast hexagon on the exhaust camshaft, apply force counterclockwise to facilitate unlocking the chain tensioner ratchet.






c. Using a Hex bit socket (2.5 mm {0.098 in}) or T15 Torx bit socket, unlock the chain tensioner ratchet so that it can be lifted up.






d. Using the cast hexagon on the exhaust camshaft, apply force in the direction of the engine rotation to increase tension on the chain.






NOTE:
- The chain tensioner rack is compressed using the chain tension generated by applying force to the exhaust camshaft in the direction of the engine rotation.






e. Screw in the bolt set in Step (1) approx. 5 mm {0.2 in} and secure the tensioner arm with the rack compressed.
NOTE:
- The ratchet has not been unlocked if the bolt cannot be pressed in approx. 5 mm {0.2 in}.





- If the tensioner arm cannot be secured, return the bolt to its original position and repeat the procedure from Step (2).

17. Fix the exhaust camshaft using a wrench on the cast hexagon, and loosen the camshaft sprocket bolt.






CAUTION:
- Perform the work carefully so that the washer does not drop out.

18. Remove the exhaust camshaft sprocket bolt, exhaust camshaft sprocket, and washer as a single unit.






19. Remove the OCV. Service and Repair

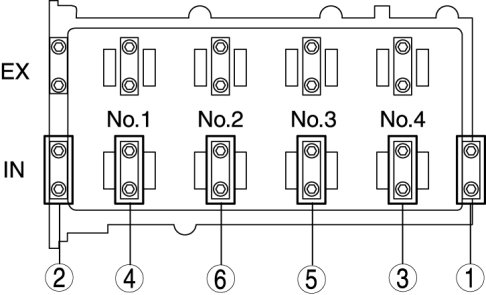
20. Loosen the camshaft cap bolts in two or three steps in the order shown in the figure and remove the camshaft cap.






NOTE:
- The camshaft caps are to be kept ordered for correct reassembly in their original positions. Do not mix the caps.

21. Remove the variable valve timing actuator and intake camshaft as a single unit.

22. Remove the variable valve timing actuator using the following procedures.
a. Mark the camshaft and variable valve timing actuator as shown in the figure to make sure they are installed in their original position.






b. Secure the camshaft in a vise.






c. Loosen the variable valve timing actuator installation bolt.

23. Install the variable valve timing actuator using the following procedures.

CAUTION:
- When the variable valve timing actuator is replaced with a new one, mark it in the same location as the old one.

a. Secure the camshaft in a vise.

b. Install a new washer.






c. Align the marks of the camshaft and the variable valve timing actuator.
NOTE:
- If the alignment marks on the variable valve timing actuator are not available, refer to the "TIMING CHAIN ASSEMBLY" in the engine service information and perform the sprocket position alignment again.

d. Tighten the variable valve timing actuator installation bolt.

Tightening torque
- 69-75 Nm {7.1-7.6 kgf-m, 51-55 ft-lbf}

24. Verify that the No.1 piston is at TDC of the compression stroke. (The position counterweight contacts the SST.)

25. Apply the gear oil (SAE No. 90 or equivalent) to each journal of the cylinder head as shown in the figure.






26. With No.1 cylinder cam aligned at TDC of the compression stroke, install the variable valve timing actuator and the camshaft on the intake air side as a single unit.

27. Apply the gear oil (SAE No. 90 or equivalent) to each journal of the camshaft as shown in the figure. However, do not apply it to the end journal of the intake camshaft.






28. Carefully apply adhesive agent (Loctite 518 or 962T) to the area indicated in the figure so that it does not leak into the sliding part, then apply the gear oil (SAE No. 90 or equivalent) to the journal.






Adhesive agent thickness
- 0.5-1.5 mm {0.02-0.05 in}

29. Temporarily tighten the camshaft cap bolts evenly in 2-3 steps.
NOTE:
- Do not tighten the bolts during this step.

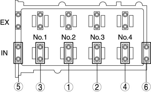
30. Tighten the camshaft cap bolts in two steps in the order shown in the figure.






Tightening torque
- Step 1: 5.0-9.0 Nm {51-91 kgf-cm, 45-79 in-lbf}
- Step 2: 14-17 Nm {1.5-1.7 kgf-m, 11-12 ft-lbf}

31. Install the OCV. Service and Repair

32. Install the timing chain, exhaust camshaft sprocket bolt, exhaust camshaft sprocket, and a new washer as a single unit.






CAUTION:
- Install a new washer to the fourth or fifth thread of the exhaust camshaft sprocket bolt being careful not to drop the washer.
- Do not tighten the camshaft sprocket bolt at this stage. Verify the valve timing before performing the bolt tightening.

33. Install the SST on the camshaft as shown in the figure.






34. Remove the bolt (M6 X 1.0, length 25-35mm {1.0-1.3 in}) from the engine front cover upper blind plug hole, and apply tension to the timing chain.

35. Verify that the No.1 piston is at TDC of the compression stroke. (The position counterweight contacts the SST.)

36. Fix the exhaust camshaft using a wrench on the cast hexagon, and tighten the camshaft sprocket bolt.






Tightening torque
- 69-75 Nm {7.1-7.6 kgf-m, 51-55 ft-lbf}

37. Remove the SST from the camshaft.

38. Remove the SST installed to the cylinder block lower blind plug hole.

39. Rotate the crankshaft clockwise two turns and inspect the valve timing.

- If not aligned, loosen the camshaft sprocket bolt and repeat the procedure from Step 33.

40. Install the cylinder block lower blind plug.






Tightening torque
- 18-22 Nm {1.9-2.2 kgf-m, 14-16 ft-lbf}

41. Apply the silicone sealant and install the engine front cover upper blind plug.






CAUTION:
- Install the engine front cover upper blind plug before the applied silicone sealant starts to harden.

Tightening torque
- 8-11 Nm {82-112 kgf-cm, 71-97 in-lbf}

42. Install a new engine front cover lower blind plug.






Tightening torque
- 10-14 Nm {102-142 kgf-cm, 89-123 in-lbf}

43. Install the drive belt. Service and Repair

44. Install the aerodynamic under cover No.2 and splash shield as a single unit. Aerodynamic Under Cover No.2 Removal/Installation Splash Shield Removal/Installation

45. Install the cylinder head cover. Service and Repair

46. Connect the ventilation hose. Service and Repair

47. Install the ignition coils. Service and Repair

48. Install the high pressure fuel pump and high pressure fuel pump cover. High Pressure Fuel Pump Removal/Installation

49. Install the charge air cooler. Service and Repair

50. Connect the negative battery cable.

51. Install the battery cover. Removal and Replacement