Operation CHARM: Car repair manuals for everyone.
Manuals through 2025 now available!

Our trusted friends have launched a new website named LEMON, which has newer manuals. It also contains all the CHARM manuals.

LEMON is the spiritual successor to CHARM, I recommend you try it!

Link: lemon-manuals.la or lemon-manuals.org.ua

(Some people have issue connecting. LEMON is investigating. For now, use Firefox or change your DNS server)

Or, hide this message: temporarily or permanently

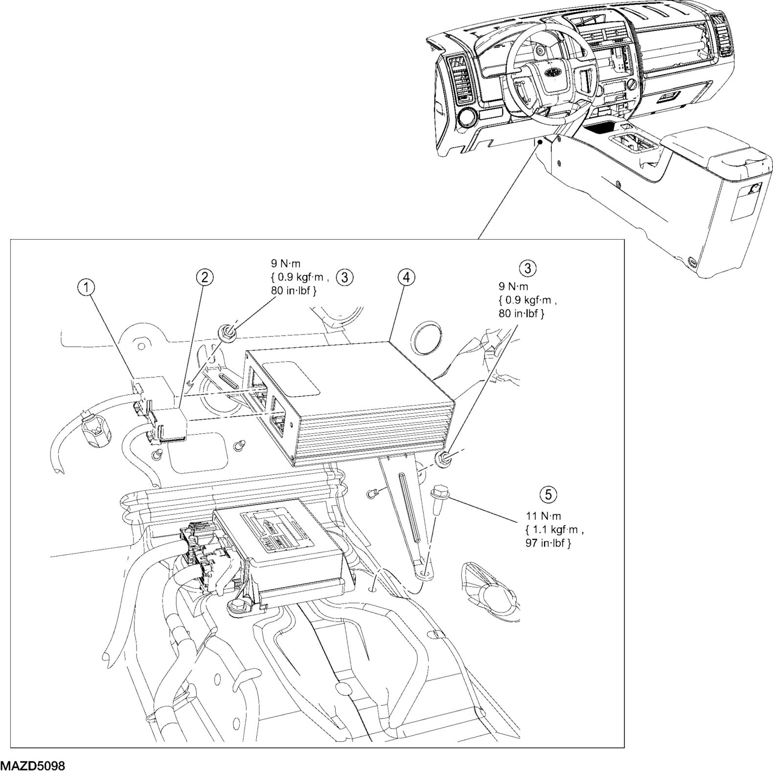
Voltage Inverter: Service and Repair




DIRECT CURRENT/ALTERNATING CURRENT (DC/AC) INVERTER REMOVAL/INSTALLATION - HYBRID









1. Disconnect the 12-volt battery.





2. Remove the lower LH center instrument panel finish panel.

3. Disconnect the electrical connectors from the DC/AC inverter.

4. Remove the 2 DC/AC inverter nuts.

- To install, tighten to 9 Nm {0.9 kgf-m, 80 in-lbf}.

5. Remove the DC/AC inverter bolt.

- To install, tighten to 11 Nm {1.1 kgf-m, 97 in-lbf}.

6. Remove the DC/AC inverter.

7. To install, reverse the removal procedure.