Operation CHARM: Car repair manuals for everyone.
Manuals through 2025 now available!

Our trusted friends have launched a new website named LEMON, which has newer manuals. It also contains all the CHARM manuals.

LEMON is the spiritual successor to CHARM, I recommend you try it!

Link: lemon-manuals.la or lemon-manuals.org.ua

(Some people have issue connecting. LEMON is investigating. For now, use Firefox or change your DNS server)

Or, hide this message: temporarily or permanently

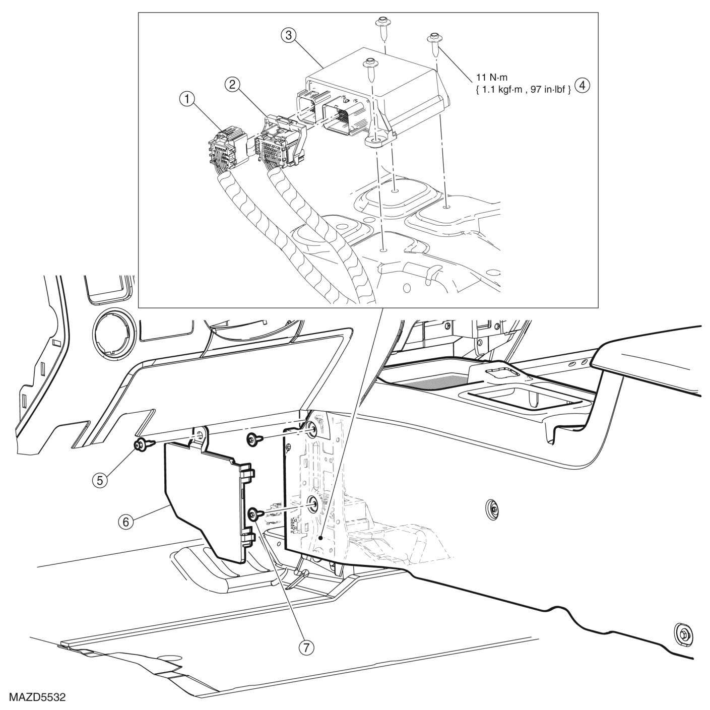
Restraints Control Module (RCM) Removal/Installation




RESTRAINTS CONTROL MODULE (RCM) REMOVAL/INSTALLATION









Removal

WARNING:Do not handle, move or change the original horizontal mounting position of the Restraints Control Module (RCM) while the RCM is connected and the ignition switch is ON. Failure to follow this instruction may result in the accidental deployment of the Safety Canopy(R) and cause serious personal injury or death.

WARNING:If a vehicle has been in a crash, inspect the Restraints Control Module (RCM) and the impact sensor (if equipped) mounting areas for deformation. If damaged, restore the mounting areas to the original production configuration. A new RCM and sensors must be installed whether or not the air bags have deployed. Failure to follow these instructions may result in serious personal injury or death in a crash.
NOTE:Always make sure the correct Supplemental Restraint System (SRS) component is being installed. Parts released for other vehicles may not be compatible even if they appear physically similar. Check the part number listed in the Mazda Parts and Accessories Catalog or equivalent to make sure the correct component is being installed. If an incorrect SRS component is installed, DTCs may set.
NOTE:The air bag warning indicator illuminates when the correct RCM fuse is removed and the ignition is ON.
NOTE:The SRS must be fully operational and free of faults before releasing the vehicle to the customer.
1. If installing a new RCM, carry out the steps necessary to prepare for Programmable Module Installation (PMI). See Module Configuration.

2. Depower the SRS. See Supplemental Restraint System (SRS) Depowering And Repowering.

3. Remove the 2 front LH floor console screws and position the carpet aside to access the RCM bolts.





4. Remove the RCM access cover.

- Remove the scrivet.
- Pull forward to release the 2 retainer hooks and remove the RCM access cover.





5. Disengage the lock tab, press and disconnect the small RCM electrical connector.





6. Disconnect the large RCM electrical connector.
a. Pinch the thumb tab and pivot the connector position assurance lever all the way back until it stops.

b. Pull out and disconnect the RCM electrical connector.

7. Remove the 3 bolts and RCM.

Installation

WARNING:Always tighten the fasteners of the restraints control module (RCM) and impact sensor (if equipped) to the specified torque. Failure to do so may result in incorrect restraint system operation, which increases the risk of personal injury or death in a crash.
1. Install the RCM and the 3 bolts.

- Tighten to 11 Nm {1.1 kgf-m, 97 in-lbf}.





2. Make sure the connector position assurance lever is in the full release position before attempting to connect the connector.





CAUTION:Putting the large Restraints Control Module (RCM) electrical connector into the RCM on an angle can cause bad electrical connections and damage components.

CAUTION:Do not push the connector to the point where the lever pivots and seats itself. Light pressure is needed to get the connector into position on the Restraints Control Module (RCM) before using the lever to fully seat the connector. Failure to follow these instructions may result in component damage and/or system failure.
3. Position the large RCM electrical connector into the RCM.

- With the large RCM electrical connector uniformly aligned to the RCM, lightly push in until a subtle audible click is heard and slight resistance is felt.





4. Connect the large RCM electrical connector.

- Pivot the connector position assurance lever toward the RCM, drawing the connector in to the RCM.
- Make sure the thumb tab is engaged to the retainer on the RCM and locked in place.





5. Connect the small RCM electrical connector and push the lock tab in.





6. Install the RCM access cover.

- Attach the 2 retainer hooks to the instrument panel brace.
- Install the scrivet.

7. Position the carpet into place and install the 2 front LH floor console screws.

8. Repower the SRS. Do not prove out the SRS at this time. See Supplemental Restraint System (SRS) Depowering And Repowering.

9. When installing a new RCM, carry out the steps necessary to complete programmable module installation (PMI). See Module Configuration.

10. Prove out the supplemental restraint system (SRS) as follows:Turn the ignition switch from ON to OFF. Wait 10 seconds, then turn the ignition switch back to ON and monitor the air bag warning indicator with the air bag modules installed. The air bag warning indicator will light continuously for approximately 6 seconds and then turn OFF. If an air bag SRS fault is present, the air bag warning indicator will: - fail to light. - remain lit continuously. - flash at a 5 Hz rate (RCM not configured). The air bag warning indicator might not light until approximately 30 seconds after the ignition has been turned from the OFF to the ON position. This is the time required for the RCM to complete the testing of the SRS. If the air bag warning indicator is inoperative and a SRS fault exists, a chime will sound in a pattern of 5 sets of 5 beeps. If this occurs, the air bag warning indicator and any SRS fault discovered must be diagnosed and repaired. Clear all continuous DTCs from the RCM.