Part 1
ENGINE ASSEMBLY - 2.5L
Assembly
Lower Engine Block (View 1)
Lower Engine Block (View 2)
Front Engine Block
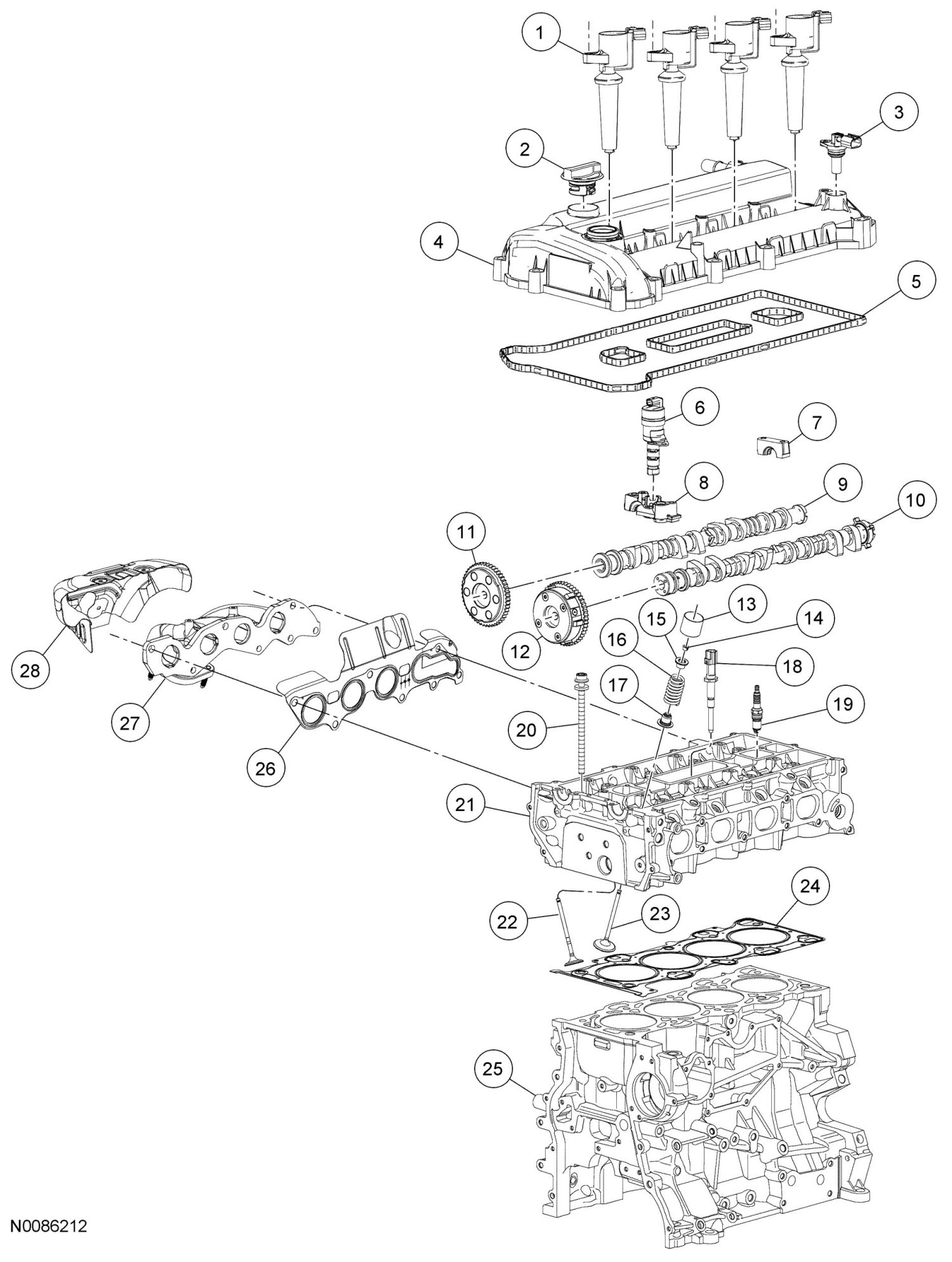
Cylinder Head
Intake Manifold
CAUTION:Do not loosen or remove the crankshaft pulley without first installing the special tools as instructed in this procedure. The crankshaft pulley and the crankshaft timing sprocket are not keyed to the crankshaft. The crankshaft, the crankshaft sprocket and the pulley are fitted together by friction, using diamond washers between the flange faces on each part. For that reason, the crankshaft sprocket is also unfastened if the pulley bolt is loosened. Before any repair requiring loosening or removal of the crankshaft pulley bolt, the crankshafts and camshafts must be locked in place by special service tools, otherwise severe engine damage can occur.
CAUTION:During engine repair procedures, cleanliness is extremely important. Any foreign material, including any material created while cleaning gasket surfaces that enters the oil passages, coolant passages or the oil pan, can cause engine failure.
NOTE:Assembly of the engine requires various inspections/measurements of the engine components (engine block, crankshaft, connecting rods, pistons and piston rings). These inspections/measurements will aid in determining if the engine components will require replacement. See Engine Technical Data.
All vehicles
NOTE:If the oil squirters are being reused, they must be installed in the same location as marked during disassembly.
NOTE:The front bulkhead does not have an oil squirter.
1. Install the 4 oil squirters.
- Tighten to 4 Nm {0.4 kgf-m, 35 in-lbf}.
2. Measure each of the crankshaft main bearing journal diameters in at least 2 directions and record the smallest diameter for each journal.
3. Position the main bearing beam in the engine block with the main bearing beam mounted flush with the rear face of the engine block.
4. Using the original main bearing beam bolts, install and tighten the 10 main bearing beam bolts.
- Tighten the bolts in the sequence shown in 3 stages.
- Stage 1: Tighten to 5 Nm {0.5 kgf-m, 44 in-lbf}.
- Stage 2: Tighten to 25 Nm {2.5 kgf-m, 18 in-lbf}.
- Stage 3: Tighten an additional 90 degrees.
5. Measure each crankshaft block main bearing bore diameter.
- Remove the bolts and the main bearing beam.
- Discard the main bearing beam bolts.
6. Using the chart, select the crankshaft main bearings.
CAUTION:The rod cap installation must keep the same orientation as marked during disassembly or engine damage may occur.
7. Using the original connecting rod cap bolts, install the connecting caps and bolts.
- Tighten the bolts in 2 stages.
- Stage 2: Tighten to 25 Nm {2.5 kgf-m, 18 in-lbf}.
- Stage 2: Tighten an additional 90 degrees.
8. Measure the connecting rod large end bore in 2 directions. Record the smallest measurement for each connecting rod.
- Remove the bolts and the connecting rod cap.
- Discard the connecting rod cap bolts.
9. Measure each of the crankshaft connecting rod bearing journal diameters in at least 2 directions. Record the smallest measurement for each connecting rod journal.
10. Using the chart, select the correct connecting rod bearings for each crankshaft connecting rod journal.
NOTE:Before assembling the cylinder block, all sealing surfaces must be free of chips, dirt, paint and foreign material. Also, make sure the coolant and oil passages are clear.
NOTE:If reusing the crankshaft main bearings, install them in their original positions and orientation as noted during disassembly.
NOTE:The center bulkhead is the thrust bearing.
11. Lubricate the upper crankshaft main bearings with clean engine oil and install the 5 crankshaft main bearings in the cylinder block.
NOTE:If reusing the crankshaft main bearings, install them in their original positions and orientation as noted during disassembly.
12. Lubricate the crankshaft main bearings with clean engine oil and install the 5 crankshaft main bearings in the main bearing beam.
13. Lubricate journals on the crankshaft with clean engine oil.
14. Position the crankshaft in the cylinder block.
15. Lubricate the 10 main bearing beam side fit surfaces (front 2 shown) with clean engine oil.
16. Lubricate the crankshaft bearing journals on the main bearing beam with clean engine oil. Then position the main bearing beam in the engine block with the main bearing beam mounted flush with the rear face of the engine block.