Operation CHARM: Car repair manuals for everyone.
Manuals through 2025 now available!

Our trusted friends have launched a new website named LEMON, which has newer manuals. It also contains all the CHARM manuals.

LEMON is the spiritual successor to CHARM, I recommend you try it!

Link: lemon-manuals.la or lemon-manuals.org.ua

(Some people have issue connecting. LEMON is investigating. For now, use Firefox or change your DNS server)

Or, hide this message: temporarily or permanently

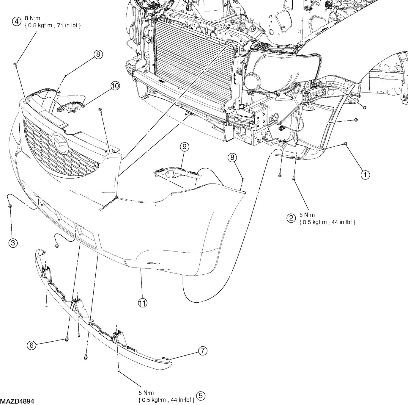
Bumper: Locations




BUMPERS

The bumper system consists of the following components:

- Front bumper
- Front bumper cover
- Rear bumper
- Rear bumper cover

Front Bumper


























Rear Bumper Cover Without Trailer Hitch










Rear Bumper Cover With Trailer Hitch










1. For additional information, see the procedures.