Operation CHARM: Car repair manuals for everyone.
Manuals through 2025 now available!

Our trusted friends have launched a new website named LEMON, which has newer manuals. It also contains all the CHARM manuals.

LEMON is the spiritual successor to CHARM, I recommend you try it!

Link: lemon-manuals.la or lemon-manuals.org.ua

(Some people have issue connecting. LEMON is investigating. For now, use Firefox or change your DNS server)

Or, hide this message: temporarily or permanently

Cylinder Block Inspection

CYLINDER BLOCK INSPECTION





1. Measure the distortion of the cylinder block top surface in the six directions as indicated in the figure.
^ If not as specified, replace the cylinder block.

Cylinder block maximum distortion
0.08 mm (0.0031 in)





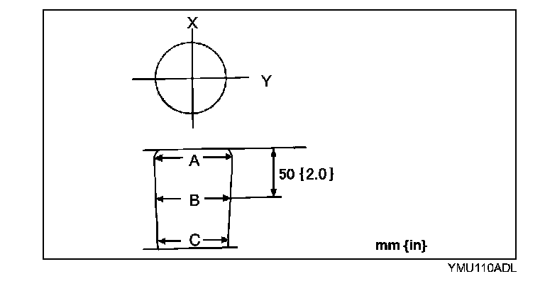
2. Measure the cylinder bores in X and Y directions at 50 mm (2.0 in) below the top surface.
^ If the difference between measurements A and C exceeds the maximum taper, replace the cylinder block.
^ If the difference between measurements X and Y exceeds the maximum distortion, replace the cylinder block.

Cylinder bore
89.000-89.030 mm (3.5039-3.5051 in)

Maximum taper
0.020 mm (0.00079 in)

Off-round
0.020 mm (0.00079 in)