Operation CHARM: Car repair manuals for everyone.
Manuals through 2025 now available!

Our trusted friends have launched a new website named LEMON, which has newer manuals. It also contains all the CHARM manuals.

LEMON is the spiritual successor to CHARM, I recommend you try it!

Link: lemon-manuals.la or lemon-manuals.org.ua

(Some people have issue connecting. LEMON is investigating. For now, use Firefox or change your DNS server)

Or, hide this message: temporarily or permanently

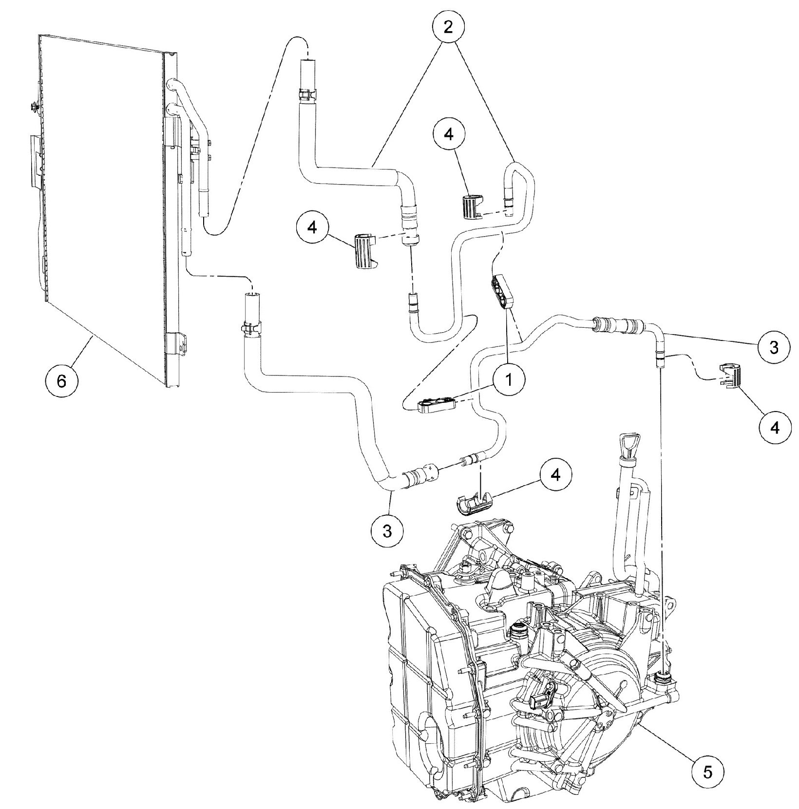
Fluid Line/Hose: Service and Repair




TRANSAXLE FLUID COOLER TUBES REMOVAL/INSTALLATION









Removal

CAUTION:Automatic transmission fluids are not interchangeable. The use of any fluid other than what is recommended for this transaxle will cause transaxle damage.
1. Remove the front bumper cover. See Service and Repair.

2. Remove the left side splash shield.





3. Release the transmission fluid cooler tube retaining clip and remove the transmission fluid cooler tubes from the clip.





4. Compress the constant tension clamps and remove the transmission fluid cooler tubes from the transmission fluid cooler.





5. Remove the transmission fluid cooler tube secondary latches from the transmission fluid cooler tubes at the transmission.





6. Using the Transmission Cooler Line Disconnect Tool, disconnect the transmission fluid cooler tubes from the transaxle and remove the transmission fluid cooler tubes.

Installation





1. If installing new transmission fluid cooler tubes, remove the transmission fluid cooler tube secondary latches and the retainer from the old transmission fluid cooler tubes and install them on the new transmission fluid cooler tubes.





2. Position the transmission fluid cooler tubes in place. Install the transmission fluid cooler tubes in the transaxle by inserting the tube into the fitting until a click is heard/felt. Pull back to confirm connection is secure and install the transmission fluid cooler tube secondary latches.





3. Compress the constant tension clamps and install the transmission fluid cooler tubes on the transmission fluid cooler.





4. Install the transmission fluid cooler tubes in the retaining clip and close the retaining clip.

5. Install the left side splash shield.

6. Install the front bumper cover. See Service and Repair.

7. Check the transmission fluid level and add transmission fluid as necessary.