Operation CHARM: Car repair manuals for everyone.
Manuals through 2025 now available!

Our trusted friends have launched a new website named LEMON, which has newer manuals. It also contains all the CHARM manuals.

LEMON is the spiritual successor to CHARM, I recommend you try it!

Link: lemon-manuals.la or lemon-manuals.org.ua

(Some people have issue connecting. LEMON is investigating. For now, use Firefox or change your DNS server)

Or, hide this message: temporarily or permanently

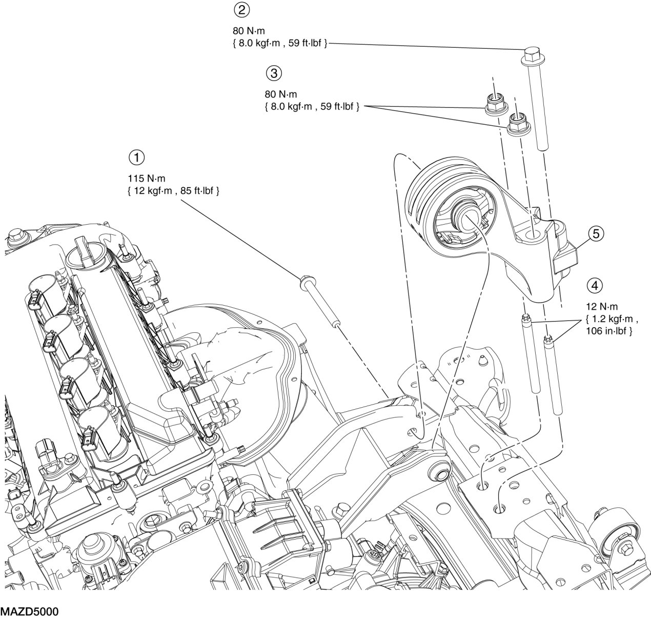
Transmission Mount, CVT




TRANSAXLE SUPPORT INSULATOR AND RETAINER EXPLODED VIEW - HYBRID

Transaxle Insulator and Retainer - Upper










Transaxle Insulator and Retainer - Lower










Transaxle Insulator and Retainer










1. For additional information, see the procedures.