Operation CHARM: Car repair manuals for everyone.
Manuals through 2025 now available!

Our trusted friends have launched a new website named LEMON, which has newer manuals. It also contains all the CHARM manuals.

LEMON is the spiritual successor to CHARM, I recommend you try it!

Link: lemon-manuals.la or lemon-manuals.org.ua

(Some people have issue connecting. LEMON is investigating. For now, use Firefox or change your DNS server)

Or, hide this message: temporarily or permanently

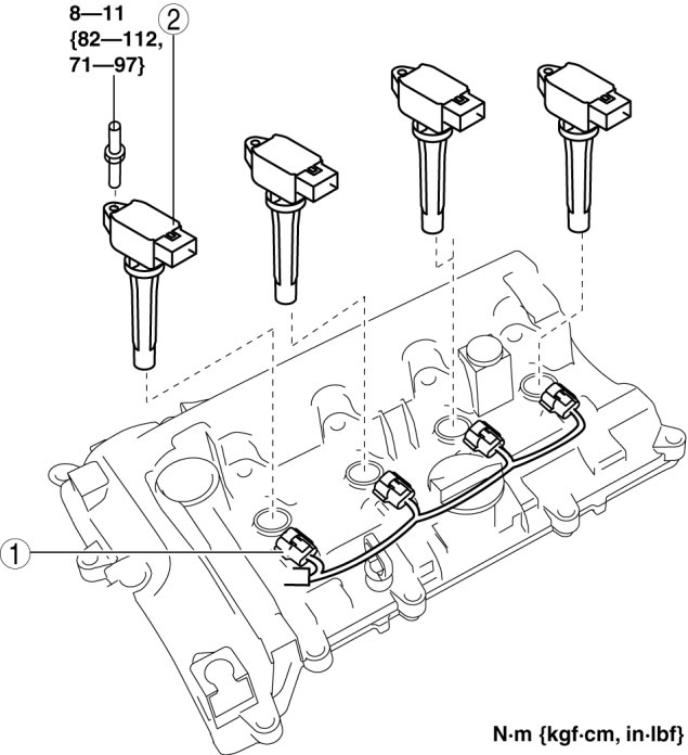
Ignition Coil/Ion Sensor Removal/Installation





IGNITION COIL/ION SENSOR REMOVAL/INSTALLATION [SKYACTIV-G 2.0]

1. Remove the battery cover. Removal and Replacement

2. Disconnect the negative battery cable. Removal and Replacement

3. Remove the plug hole plate. Plug Hole Plate Removal/Installation

4. Remove the plug hole plate bracket. Service and Repair

5. Remove in the order indicated in the table.

6. Install in the reverse order of removal.