Operation CHARM: Car repair manuals for everyone.
Manuals through 2025 now available!

Our trusted friends have launched a new website named LEMON, which has newer manuals. It also contains all the CHARM manuals.

LEMON is the spiritual successor to CHARM, I recommend you try it!

Link: lemon-manuals.la or lemon-manuals.org.ua

(Some people have issue connecting. LEMON is investigating. For now, use Firefox or change your DNS server)

Or, hide this message: temporarily or permanently

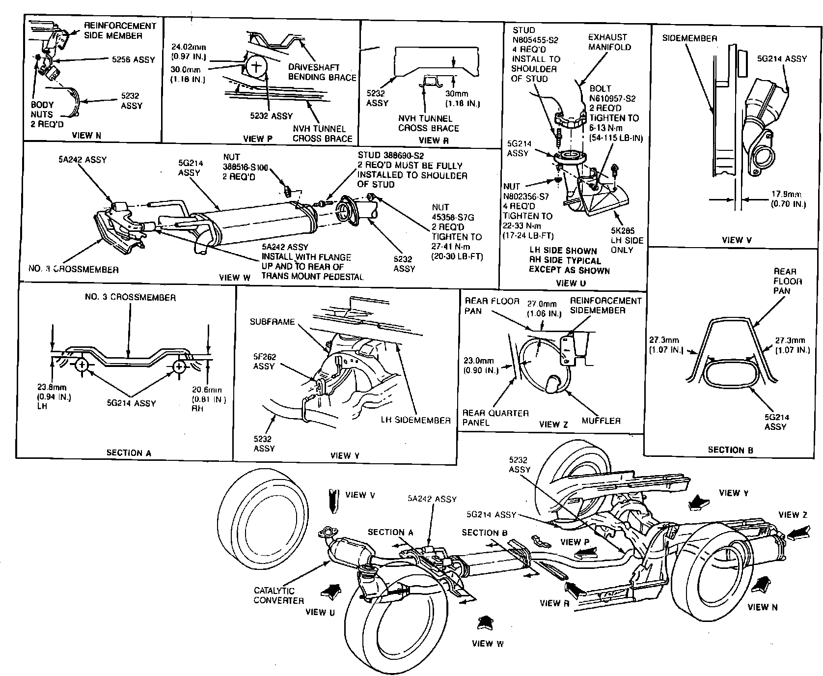
Catalytic Converter: Service and Repair

Component Location:





REMOVAL

1. Raise vehicle.
2. Remove two nuts retaining muffler assembly inlet flange to the resonator outlet flange.
3. Disengage muffler inlet flange from resonator outlet flange studs.
4. Remove three screws retaining LH converter shield.
5. Remove four nuts retaining converter pipe flanges to the exhaust manifold.
6. Slide converter/resonator assembly rearward to disengage hanger rods from hanger insulators.
7. Remove converter and resonator assembly.


INSTALLATION

1. Insert converter hanger rods into the transmission mount hanger insulators and slide the converter/resonator assembly forward.
2. Position the converter inlet pipe flanges to the exhaust manifolds and install new retaining nuts finger tight.
3. Align the converter/resonator assembly.
4. Tighten manifold nuts to 17-24 lb. ft. (22-33 N-m).
5. Position the LH converter shield and torque retaining screws to 54-115 lb. in (6-13 N-m).
6. With muffler assembly supported by hangers, install the muffler inlet flange over the resonator outlet flange studs. Install the retaining nuts finger tight.
7. Align the muffler assembly.
8. Torque flange nuts to 20-30 lb. ft. (27-41 N-m).