Operation CHARM: Car repair manuals for everyone.
Manuals through 2025 now available!

Our trusted friends have launched a new website named LEMON, which has newer manuals. It also contains all the CHARM manuals.

LEMON is the spiritual successor to CHARM, I recommend you try it!

Link: lemon-manuals.la or lemon-manuals.org.ua

(Some people have issue connecting. LEMON is investigating. For now, use Firefox or change your DNS server)

Or, hide this message: temporarily or permanently

Front Door Window Regulator: Service and Repair

FRONT DOOR WINDOW REGULATOR AND MOTOR






Removal and Installation

NOTE:
- If installing a new LH front window motor, it must be initialized.
- The LH front window motor must be de-initialized, then initialized whenever the LH front window motor is removed from the window regulator drum housing, a new window regulator is installed, a new window glass is installed, a new top run is installed or for any operation in which grease or lubricants are applied to the window regulator or glass run.

1. Remove the door trim panel and water shield.
2. Remove the front door speaker.







3. NOTE: Portions of door removed for clarity.

Remove the access hole cover, then disconnect the 2 door latch electrical connectors.







4. If equipped, disconnect the keyless entry keypad and door lock electrical connectors.







5. If equipped, disconnect the power mirror electrical connector.







6. Disconnect the door latch and door lock linkages.
- Disconnect the clips.







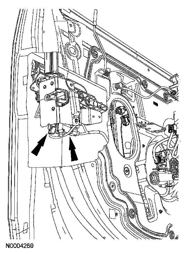
7. Disconnect the window motor electrical connector, then position the wiring harness aside.
- Disconnect the 4 wiring harness retainers and the grommet.
- Push the grommet through the opening and into the door panel.







8. Remove the interior door handle bolt, and position the door handle aside.
- To install, tighten to 8 Nm (71 lb-in).

9. NOTE: If the window regulator motor is inoperative, remove it.

Lower the window until the glass clamp bolts can be accessed through the rear access hole and front door speaker opening.







10. Loosen the B-pillar front door window glass clamp bolt.
- To install, tighten to 8 Nm (71 lb-in).







11. Loosen the A-pillar front door window glass clamp bolt.
- To install, tighten to 8 Nm (71 lb-in).

12. Tape the window in position, then lower the window regulator downward until it reaches the stops at the bottom of the regulator tracks.







13. Remove the 11 bolts from the door module.
- To install, tighten to 8 Nm (71 lb-in).







14. Remove the 3 door latch screws.
- To install, tighten to 12 Nm (9 lb-ft).







15. Disconnect the 6 wiring harness retainers and the 2 connector retainers from the inside of the door module, then feed the wiring harness through the door module.
16. Remove the front door module. If installing a new door module, transfer parts as necessary.
17. To install, reverse the removal procedure.
- If installing a new LH front window motor, it must be initialized. If installing the original LH front window motor, it must be de-initialized, then initialized.