Operation CHARM: Car repair manuals for everyone.
Manuals through 2025 now available!

Our trusted friends have launched a new website named LEMON, which has newer manuals. It also contains all the CHARM manuals.

LEMON is the spiritual successor to CHARM, I recommend you try it!

Link: lemon-manuals.la or lemon-manuals.org.ua

(Some people have issue connecting. LEMON is investigating. For now, use Firefox or change your DNS server)

Or, hide this message: temporarily or permanently

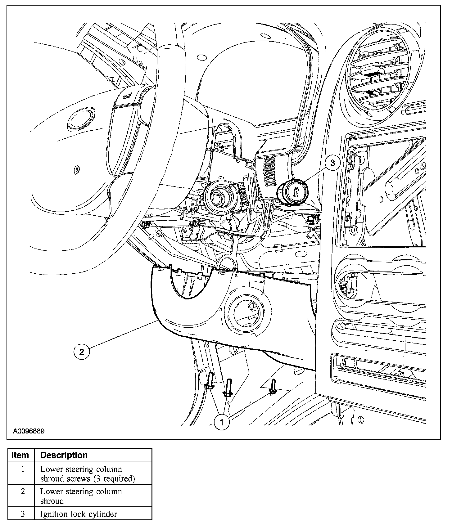
Ignition Lock: Service and Repair

IGNITION LOCK CYLINDER







Removal and Installation
1. Disconnect the battery.
2. Remove the steering column cover.
3. Remove the 3 lower steering column shroud screws.
4. Remove the lower steering column shroud.
5. Insert the ignition key and turn it to the ACC position.
6. Using a suitable tool, press the release pin and remove the ignition cylinder.
7. To install, reverse the removal procedure.