Operation CHARM: Car repair manuals for everyone.
Manuals through 2025 now available!

Our trusted friends have launched a new website named LEMON, which has newer manuals. It also contains all the CHARM manuals.

LEMON is the spiritual successor to CHARM, I recommend you try it!

Link: lemon-manuals.la or lemon-manuals.org.ua

(Some people have issue connecting. LEMON is investigating. For now, use Firefox or change your DNS server)

Or, hide this message: temporarily or permanently

Pinpoint Test J: The Battery Energy Control Module (BECM) Does Not Respond To The Scan Tool




Communications Network

Pinpoint Test J: The Battery Energy Control Module (BECM) Does Not Respond To The Scan Tool

Refer to Wiring Diagram Set 14 (Fusion/Milan/MKZ, Fusion Hybrid, Milan Hybrid, MKZ Hybrid), Module Communications Network for schematic and connector information. Diagrams By Number

Refer to Wiring Diagram Set 12 (Fusion/Milan/MKZ, Fusion Hybrid, Milan Hybrid, MKZ Hybrid), Charging System for schematic and connector information. Diagrams By Number

Normal Operation

The Battery Energy Control Module (BECM) is present on hybrid vehicles only. The BECM communicates with the scan tool through the High Speed Controller Area Network (HS-CAN).

This pinpoint test is intended to diagnose the following:

- Fuse
- Wiring, terminals or connectors
- BECM


PINPOINT TEST J: THE BECM DOES NOT RESPOND TO THE SCAN TOOL

NOTE: Failure to disconnect the battery when instructed will result in false resistance readings. Refer to Battery, Mounting and Cables Battery Disconnect.

-------------------------------------------------
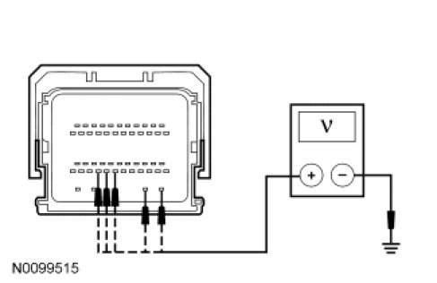
J1 CHECK THE POWER TO THE BECM

WARNING: To prevent the risk of high-voltage shock, always follow precisely all warnings and service instructions, including instructions to depower the system. The high-voltage hybrid system utilizes approximately 300 volts DC, provided through high-voltage cables to its components and modules. The high-voltage cables and wiring are identified by orange harness tape or orange wire covering. All high-voltage components are marked with high-voltage warning labels with a high-voltage symbol. Failure to follow these instructions may result in serious personal injury or death.

WARNING: Always wear high-voltage insulated safety gloves with leather outer gloves and a face shield when servicing the battery pack sensor module (BPSM) and never remove the high-voltage BPSM connector unless directed by a service procedure. High voltage is present at the BPSM at all times, even with service disconnect plug removal. Depowering the system will not remove voltage from the BPSM connector with the orange harness. Follow all service instructions. Failure to follow these instructions may result in serious personal injury or death.

- Ignition OFF.
- Disconnect: BECM C4237a .
- Ignition ON.
- Measure the voltage between the BECM, harness side and ground as follows:









- Are the voltages greater than 10 volts?

Yes
GO to J2.

No
VERIFY the Battery Junction Box (BJB) fuse 17 (10A) or 48 (20A) are OK. If OK, REPAIR the circuit in question. If not OK, Refer to the Wiring Diagrams to identify the possible causes of the circuit short. CLEAR the DTCs. REPEAT the network test with the scan tool. Diagrams By Number

-------------------------------------------------
J2 CHECK THE BECM GROUND CIRCUIT FOR AN OPEN

- Ignition OFF.
- Disconnect: Negative Battery Cable .
- Measure the resistance between the BECM C4237a-49, circuit GD126 (BK/WH), harness side and ground; and between the BECM C4237a-50, circuit GD126 (BK/WH), harness side and ground




- Are the resistances less than 5 ohms?

Yes
GO to J3.

No
REPAIR the circuit in question. CONNECT the negative battery cable. CLEAR the DTCs. REPEAT the network test with the scan tool.

-------------------------------------------------
J3 CHECK THE HS-CAN CIRCUITS BETWEEN THE BECM AND THE DLC FOR AN OPEN

- Measure the resistance between the BECM C4237a-22, circuit VDB04 (WH/BU), harness side and the DLC C251-6, circuit VDB04 (WH/BU), harness side.




- Measure the resistance between the BECM C4237a-11, circuit VDB05 (WH), harness side and the DLC C251-14, circuit VDB05 (WH), harness side.




- Are the resistances less than 5 ohms?

Yes
CONNECT the negative battery cable. GO to J4.

No
REPAIR the circuit in question. CONNECT the negative battery cable. CLEAR the DTCs. REPEAT the network test with the scan tool.

-------------------------------------------------
J4 CHECK FOR CORRECT BECM OPERATION

NOTE: Do not disconnect the high voltage cables or connectors in the following step.

- Disconnect the BECM LOW VOLTAGE connectors.
- Check for:
- corrosion
- damaged pins
- pushed-out pins
- Connect the BECM LOW VOLTAGE connectors and make they seat correctly.
- Operate the system and verify the concern is still present.
- Is the concern still present?

Yes
INSTALL a new BECM. REFER to High Voltage Traction Battery Service and Repair. CLEAR the DTCs. REPEAT the network test with the scan tool.

No
The system is operating correctly at this time. The concern may have been caused by a loose or corroded connector. CLEAR the DTCs. REPEAT the network test with the scan tool.

-------------------------------------------------