Operation CHARM: Car repair manuals for everyone.
Manuals through 2025 now available!

Our trusted friends have launched a new website named LEMON, which has newer manuals. It also contains all the CHARM manuals.

LEMON is the spiritual successor to CHARM, I recommend you try it!

Link: lemon-manuals.la or lemon-manuals.org.ua

(Some people have issue connecting. LEMON is investigating. For now, use Firefox or change your DNS server)

Or, hide this message: temporarily or permanently

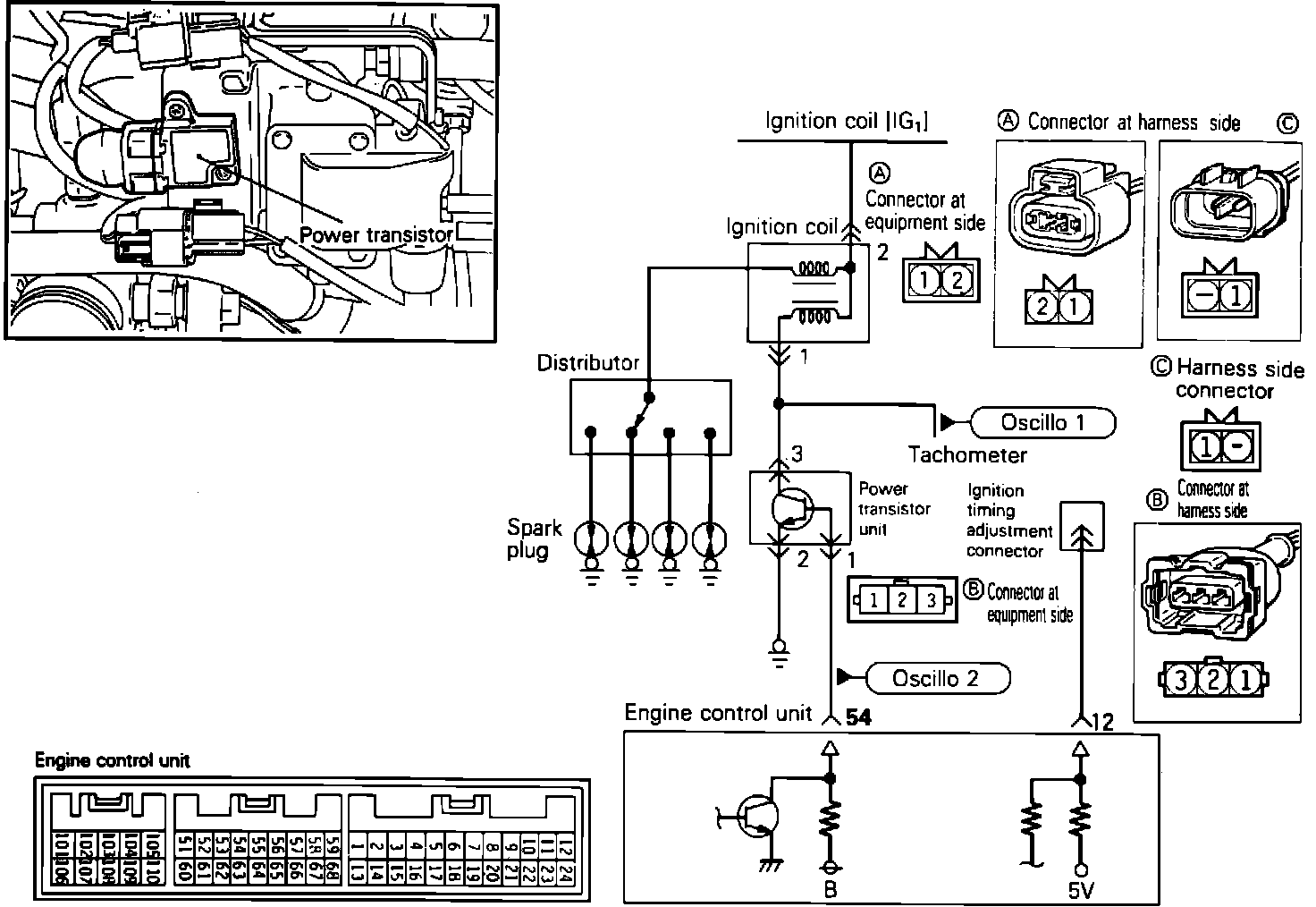
Power Transistor & Ignition Coil

Ignition Coil And Power Transistor Circuit:





To test the Power Transistor / Ignition Coil, located on the intake manifold, using an analog type circuit tester proceed as follows.

Component Test:





POWER TRANSISTOR
1. Disconnect the power transistor / ignition coil connector.
2. Connect a power supply of 1.5v (one dry cell) between power transistor terminals 2 (-) and 1 (+).
3. Check for continuity between terminals 2 (+) and 3 (-).

Continuity
Should exist

4. Remove power from terminals 1 and 2.
5. Check for continuity between terminals 2 (+) and 3 (-).

Continuity
Should not exist

IGNITION COIL
1. Using an ohmmeter, check the resistance value between the ignition coil primary terminals 1 and 2.

Resistance value
0.72 - 0.88 ohms

2. Using an ohmmeter, check the resistance value between ignition coil primary terminal 1 and high tension terminal.

Resistance value
11k - 13k ohms

If the Power Transistor / Ignition coil unit fails any of these tests, replace as a unit.


Primary Ignition Coil Signal Pattern:





OSCILLOSCOPE TEST
1. Run engine at idle speed.
2. Connect the scope probe to pick-up point #1 shown in the system schematic diagram and compare the primary ignition coil signal to the pattern shown.

Power Transistor Control Signal Pattern:





3. Run engine at idle speed.
4. Connect the scope probe to pick-up point #2 shown in the system schematic diagram and compare the power transistor control signal to the pattern shown.
If scope patterns are not as depicted in images, continue with the rest of the test procedures before replacing the assembly.


HARNESS TEST
1. Disconnect the ignition coil connector and turn the key to the ON position.

2. Using a voltmeter, check the voltage between ignition coil harness terminal 1 and ground.

Voltage:
System voltage.

3. Turn the key to the OFF position and disconnect the power transistor connector.
4. Using an ohm meter, check for continuity between ignition coil harness terminal 2 and power transistor harness terminal 3.

Continuity:
Should exist.

5. Using an ohm meter, check for continuity between the power transistor harness terminal 2 and ground.

Continuity:
Should exist.

6. Turn the key to the START position.
7. Using a voltmeter, check the voltage between power transistor harness connector terminal 1 and ground.

Voltage:
2 - 6 VDC.

8. Turn the key to the ON position.
9. Using a voltmeter, check the voltage between ignition timing adjustment connector and ground.

Voltage:
4.0 - 5.2 VDC.


If any of the previous tests produce unsatisfactory results, the harness will need to be repaired or replaced. Once repairs have been completed, road test the vehicle to confirm that the repair has corrected the problem.

If the same problem reoccurs, it is possible that there is an intermittent failure of the component or the ECU. Check for looseness at all harness junctions and test for an intermittent failure.