Operation CHARM: Car repair manuals for everyone.
Manuals through 2025 now available!

Our trusted friends have launched a new website named LEMON, which has newer manuals. It also contains all the CHARM manuals.

LEMON is the spiritual successor to CHARM, I recommend you try it!

Link: lemon-manuals.la or lemon-manuals.org.ua

(Some people have issue connecting. LEMON is investigating. For now, use Firefox or change your DNS server)

Or, hide this message: temporarily or permanently

MPI Circuits



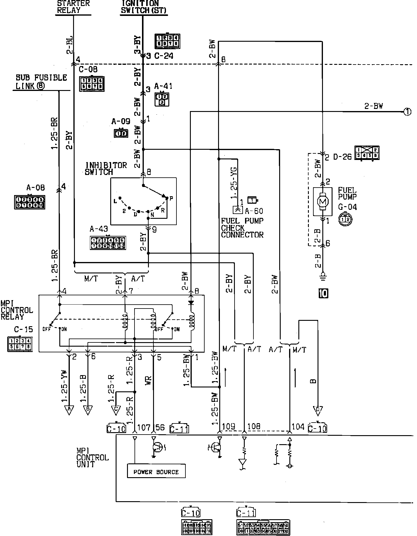
MPI Circuit Diagram 1 Of 4:




1 OF 4

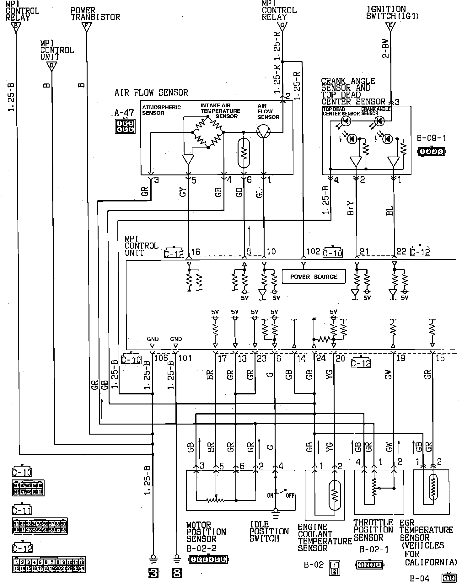
MPI Circuit Diagram 2 Of 4:




2 OF 4

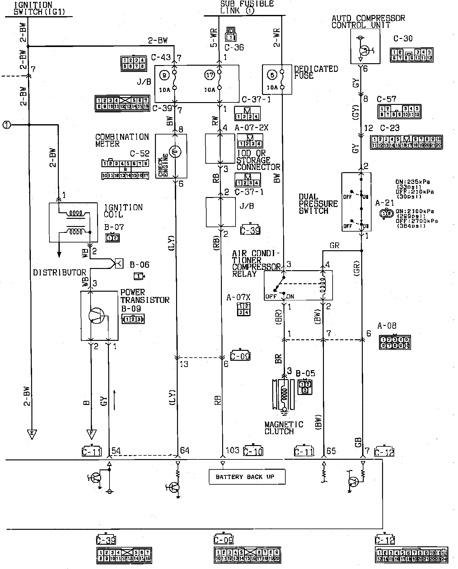
MPI Circuit Diagram 3 Of 4:




3 OF 4

MPI Circuit Diagram 4 Of 4:




4 OF 4