Operation CHARM: Car repair manuals for everyone.
Manuals through 2025 now available!

Our trusted friends have launched a new website named LEMON, which has newer manuals. It also contains all the CHARM manuals.

LEMON is the spiritual successor to CHARM, I recommend you try it!

Link: lemon-manuals.la or lemon-manuals.org.ua

(Some people have issue connecting. LEMON is investigating. For now, use Firefox or change your DNS server)

Or, hide this message: temporarily or permanently

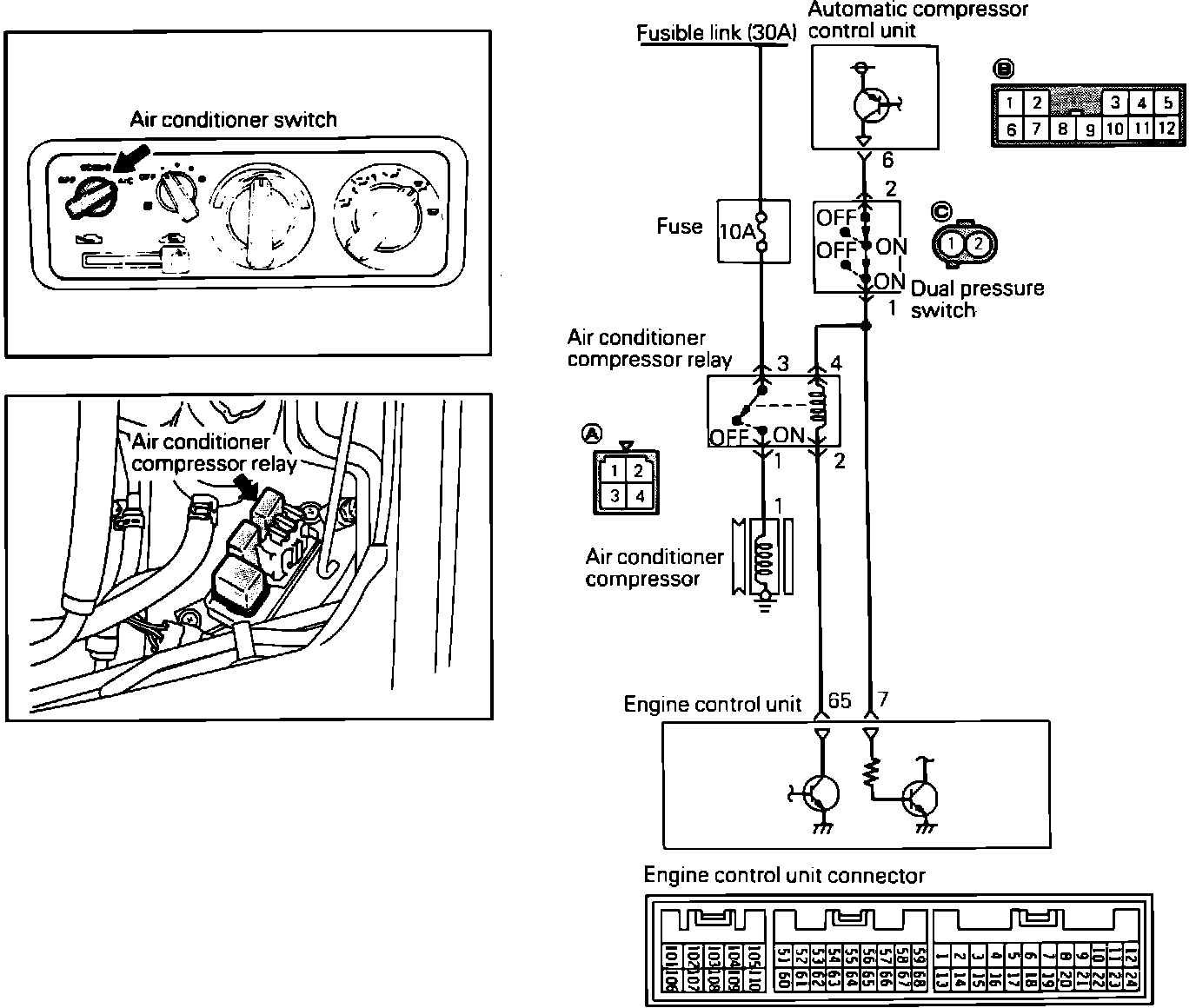
A/C Signal: Testing and Inspection

Air Conditioning Circuit:





To test the A/C signal, proceed as follows.
1. Start and warm the engine to operating temperature. Turn the blower and A/C to the ON position.
2. Using a volt meter, check the voltage between ECU harness terminal 7 and ground.

Voltage
System voltage.

NOTE: If voltage does not exist and the harness tests O.K. (step #2), check the A/C system for faults. Refer to HEATING, VENTILATION AND AIR CONDITIONING.

3. Turn the key to the OFF position and disconnect the negative battery terminal and ECU connector.
4. Using an ohm meter check for continuity between ECU harness terminal 7 and ground.

Continuity
Should not exist.


If any of the previous tests produce unsatisfactory results, the harness will need to be repaired or replaced. Once repairs have been completed, confirm that the repair has corrected the problem.

If the trouble returns, it is possible that there is an intermittent failure of the component or the ECU. Check for looseness at all harness junctions and test for an intermittent failure.