Operation CHARM: Car repair manuals for everyone.
Manuals through 2025 now available!

Our trusted friends have launched a new website named LEMON, which has newer manuals. It also contains all the CHARM manuals.

LEMON is the spiritual successor to CHARM, I recommend you try it!

Link: lemon-manuals.la or lemon-manuals.org.ua

(Some people have issue connecting. LEMON is investigating. For now, use Firefox or change your DNS server)

Or, hide this message: temporarily or permanently

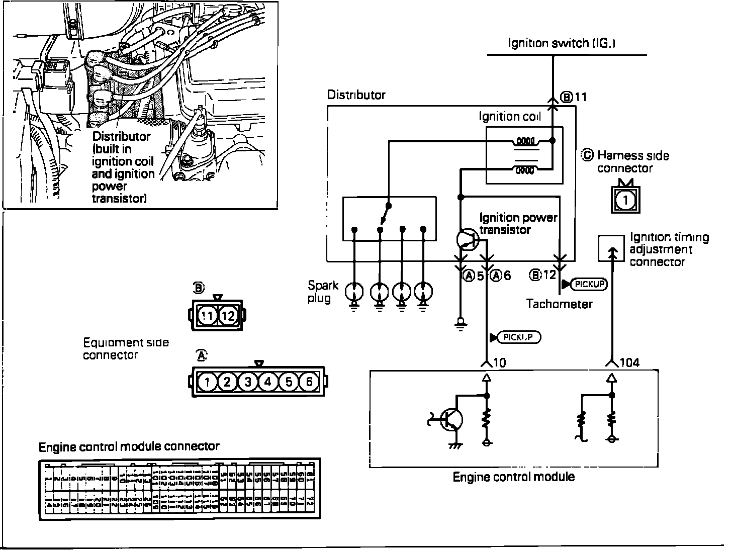
Ignition Control Module: Description and Operation

Ignition Coil And Power Transistor Circuit:





PURPOSE
The power transistor controls ignition current by interrupting the ignition coil primary ground causing secondary circuit discharge.

LOCATION
The power transistor is located in the distributor.

OPERATION
The ECU controls ignition timing through the power transistor. The power transistor is a switch that allows a very low voltage (from the ECU) to control a larger amount of voltage (negative side of coil). During engine cranking, the ignition timing is fixed at 5°BTDC