Operation CHARM: Car repair manuals for everyone.
Manuals through 2025 now available!

Our trusted friends have launched a new website named LEMON, which has newer manuals. It also contains all the CHARM manuals.

LEMON is the spiritual successor to CHARM, I recommend you try it!

Link: lemon-manuals.la or lemon-manuals.org.ua

(Some people have issue connecting. LEMON is investigating. For now, use Firefox or change your DNS server)

Or, hide this message: temporarily or permanently

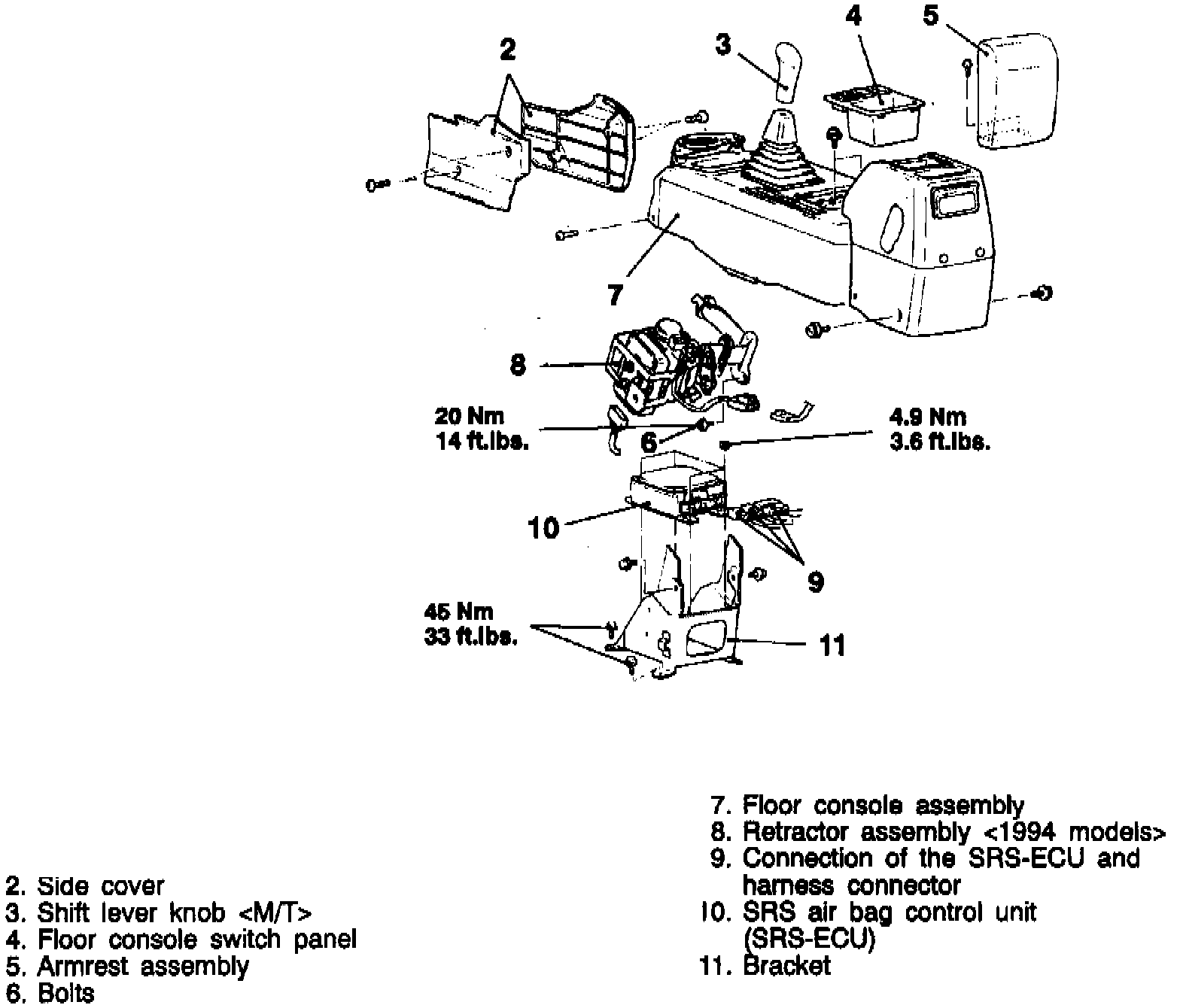
Removal and Replacement

1. Remove side covers, manual transaxle shift lever knob, floor console switch panel and armrest assembly.

Fig. 33 SDU Replacement:





2. Remove floor console, Fig. 33.
3. Remove retractor assembly.
4. Remove SDU and harness.

Fig. 38 SRS-ECU Harness:





5. Place flat tip screwdriver against connector metal lock spring, then push spring toward inside of SDU and disconnect harness, Fig. 38.
6. Reverse procedure to install.