Operation CHARM: Car repair manuals for everyone.
Manuals through 2025 now available!

Our trusted friends have launched a new website named LEMON, which has newer manuals. It also contains all the CHARM manuals.

LEMON is the spiritual successor to CHARM, I recommend you try it!

Link: lemon-manuals.la or lemon-manuals.org.ua

(Some people have issue connecting. LEMON is investigating. For now, use Firefox or change your DNS server)

Or, hide this message: temporarily or permanently

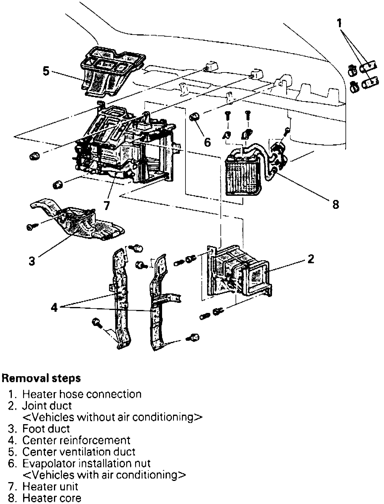
Heater Core: Service and Repair

Fig. 13 Heater Unit & Core Replacement:





Remove heater unit components in order as shown in, Fig. 13, noting the following:

1. Disconnect battery ground cable.
2. Drain cooling system into appropriate container.

Fig. 14 Front Seat Removal:





Fig. 16 Floor Console Removal:





3. Remove front seats and floor console, Fig. 14 and 16, then instrument panel as outlined under Instrument Panel.
4. On models with A/C, remove bolts and nuts attaching evaporator assembly to heater unit.
5. Pull evaporator assembly outward, then remove heater unit.
6. Remove heater core fastening clips.
7. Remove heater core from heater unit. Use caution not to damage heater core fins or pad part of heater core.
8. Reverse procedure to install.