Operation CHARM: Car repair manuals for everyone.
Manuals through 2025 now available!

Our trusted friends have launched a new website named LEMON, which has newer manuals. It also contains all the CHARM manuals.

LEMON is the spiritual successor to CHARM, I recommend you try it!

Link: lemon-manuals.la or lemon-manuals.org.ua

(Some people have issue connecting. LEMON is investigating. For now, use Firefox or change your DNS server)

Or, hide this message: temporarily or permanently

Federal





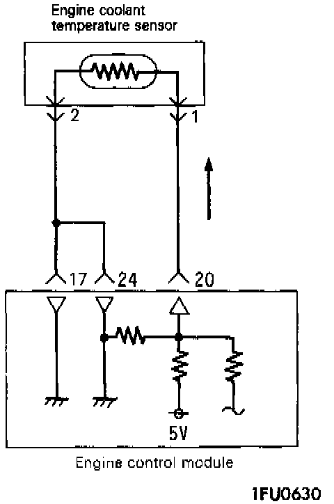
CIRCUIT DIAGRAM





INSPECTION USING SCAN TOOL








HARNESS INSPECTION PROCEDURE

COMPONENT TEST PROCEDURE
1. Remove engine coolant temperature sensor from the intake manifold.





2. With temperature sensing portion of engine coolant temperature sensor immersed in hot water check resistance.

Resistance at Temperature [°C (°F)] (K Ohms)
5.8 K Ohms at 0°C (32°F)
2.4 K Ohms at 20°C (68°F)
1.1 K Ohms at 40°C (104°F)
0.3 K Ohms at 80°C (176°F)


3. If the resistance deviates from the standard value greatly, replace the sensor.

Sensor tightening torque: 20-40 Nm (15-29 ft lb)

4. Fasten harness connectors securely.

TROUBLESHOOTING HINTS
- If, during engine warm-up, the fast-idling speed Is not correct, or black smoke is emitted, the problem is usually a malfunction of the engine coolant temperature sensor.