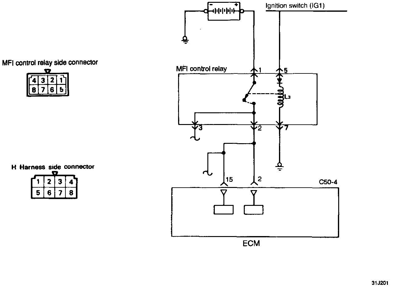
Main Relay (Computer/Fuel System): Testing and Inspection
INSPECTIONUsing Scan tool
Check Item: Battery voltage.
Data Display: Engine Control Module power voltage.
Check Conditions: Ignition Switch ON.
- Voltage should read 11 - 13 volts.
Relay Inspection
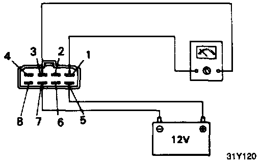
CAUTION: When applying battery voltage directly, make sure that it is applied to correct terminal. Otherwise, the relay could be damaged.
1. Check continuity of the MFI Control Relay coil.
Between terminals 2 - 8 (2 - 6): Continuity (approximately 95 ohms).
Between terminals 3 - 8 (3 - 6): Continuity (approximately 35 ohms).
Between terminals 6 - 7: Continuity (approximately 35 ohms).
Between terminals 5 - 7: Continuity in one direction only.
2. Check continuity of relay contacts between terminals 1 and 4.
Relay coil between terminals 6 (2 or 3) and 7 (8);
When de-energized: No continuity.
When energized: continuity.
3. Check continuity of relay contacts between terminals 1 and 3(2).
Relay coil between terminals 5 and 7;
When de-energized: No continuity.
When energized: continuity.
4. If faulty, replace the MFI Control Relay.
Harness Inspection Procedure
1. Measure the power supply voltage of the MFI Control Relay.
- MFI Control Relay connector disconnected.
- Ignition Switch ON.
- Voltage should read system voltage.
If OK - go to step 2.
If not OK - Repair the harness (Ignition switch-H 5).
2. Check for continuity of the ground circuit.
- MFI Control Relay connector disconnected.
If OK - go to step 3.
If not OK - Repair the harness (H 7-Ground).
3. Measure the power supply voltage of the Control Relay.
- MFI connector disconnected.
- Voltage should read system voltage.
If OK - go to step 4.
If not OK - Repair the harness (Battery-H1).
4. Check for open circuit, or short circuit to ground, between the Engine Control Module and the MFI Control Relay.
- Engine Control Module connector disconnected.
- MFI Control Relay connector disconnected.
If OK - END.
If not OK - Repair the harness (H 3 - C50-4 2) (H3 - C50-4 15).