Operation CHARM: Car repair manuals for everyone.
Manuals through 2025 now available!

Our trusted friends have launched a new website named LEMON, which has newer manuals. It also contains all the CHARM manuals.

LEMON is the spiritual successor to CHARM, I recommend you try it!

Link: lemon-manuals.la or lemon-manuals.org.ua

(Some people have issue connecting. LEMON is investigating. For now, use Firefox or change your DNS server)

Or, hide this message: temporarily or permanently

General Information

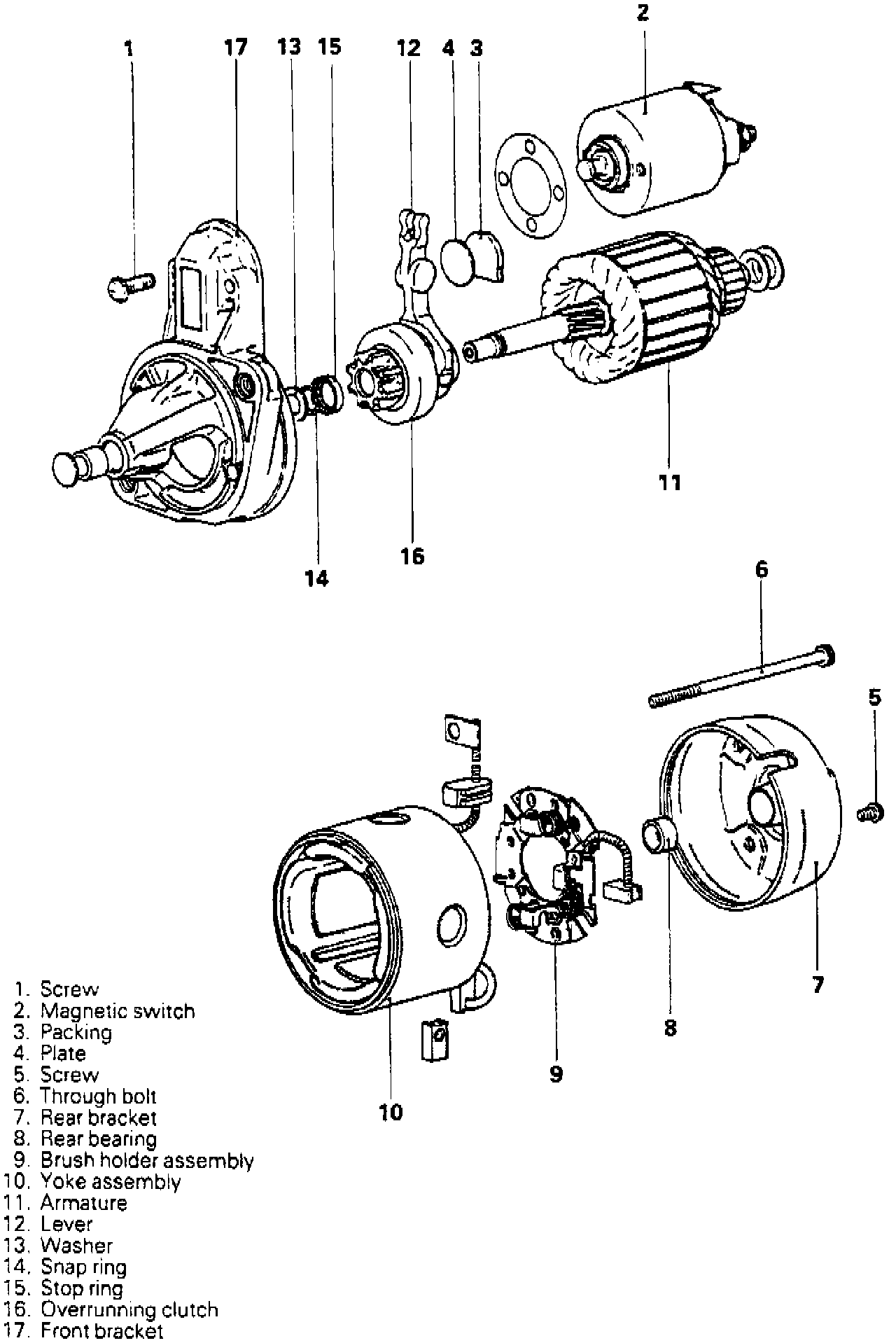
Fig. 1 Exploded View Of Direct Drive Type Starter:





Fig. 3 Exploded View Of Direct Drive Type Starter:





The starting system includes the battery, starter motor, magnet switch, ignition switch, Park/Neutral Position (PNP) switch (on models equipped with an automatic transmission), starter or PNP switch relays, connecting wires and battery cables.
When the ignition switch is turned to the Start position, current flows to energize the solenoid windings of the starter motor. As a result, the solenoid plunger and clutch shift lever (on reduction drive units) operate to cause the clutch pinion to engage with the flywheel ring gear, Fig. 1 through 3. At the same time, the magnet switch contacts close to energize the starter motor windings.

The overrunning running clutch pinion gear prevents damage that could be caused by overrunning the starter armature when the engine is started. When the engine is started, the ignition switch must be turned back to the On position to prevent damage to the starter motor or ring gear.