Operation CHARM: Car repair manuals for everyone.
Manuals through 2025 now available!

Our trusted friends have launched a new website named LEMON, which has newer manuals. It also contains all the CHARM manuals.

LEMON is the spiritual successor to CHARM, I recommend you try it!

Link: lemon-manuals.la or lemon-manuals.org.ua

(Some people have issue connecting. LEMON is investigating. For now, use Firefox or change your DNS server)

Or, hide this message: temporarily or permanently

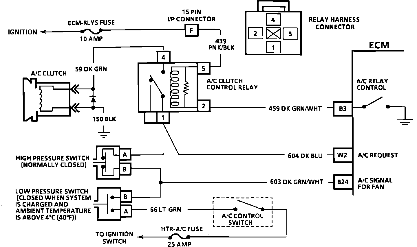
Compressor Clutch: Testing and Inspection

Chart C-10:




Wiring Diagram For A/C Clutch Control:





CIRCUIT DESCRIPTION:

When an A/C mode is selected on the A/C control switch, ignition voltage is supplied to the compressor low pressure switch. If there is sufficient system pressure, the low pressure switch will be closed and will complete the circuit to the high pressure cut-off switch and to circuit 604. The voltage on circuit 604 to the ECM is shown on the "Scan" tool as A/C request "YES" (voltage present) or "NO" (no voltage). When a request for A/C is sensed by the ECM, the ECM will ground circuit 459 of the A/C clutch control relay. The relay will then send current to circuits 604 and 59 to engage the A/C compressor clutch. A "Scan" tool will display circuit 459 grounding by showing A/C clutch "ON." If the ECM sensed voltage from circuit 603, the cooling fan will be energized.


TEST DESCRIPTION: The numbers below refer to circled numbers on the diagnostic chart.

1. The ECM will energize the A/C relay only when the engine is running. This test will determine if the relay or circuit 459 is faulty.
2. In order for the clutch to properly be engaged, the low and high pressure switches must be closed so the A/C request (12.0 volts) will be present at the ECM.
3. A short to ground in any part of the A/C request or clutch control circuits may be the cause of a blown fuse.
4. With the engine idling and A/C "ON," the ECM should be grounding circuit 459, which should cause the test light to be "ON."
5. This determines if the signal is reaching the low pressure switch on circuit 66 from the A/C control panel. The signal should only be present when the A/C mode or defrost mode has been selected.


DIAGNOSTIC AIDS:

If the complaint was insufficient cooling, the problem may be caused by an inoperative cooling fan or A/C pressure fan switch. The engine cooling fan should turn "ON" when A/C pressure exceeds a given value to open the switch, which will cause the ECM to energize the cooling fan relay. See ELECTRIC COOLING FAN (CHART C-12), for cooling fan diagnosis. If the fan operates correctly, see HEATING VENTILATION AND AIR CONDITIONING section.