Operation CHARM: Car repair manuals for everyone.
Manuals through 2025 now available!

Our trusted friends have launched a new website named LEMON, which has newer manuals. It also contains all the CHARM manuals.

LEMON is the spiritual successor to CHARM, I recommend you try it!

Link: lemon-manuals.la or lemon-manuals.org.ua

(Some people have issue connecting. LEMON is investigating. For now, use Firefox or change your DNS server)

Or, hide this message: temporarily or permanently

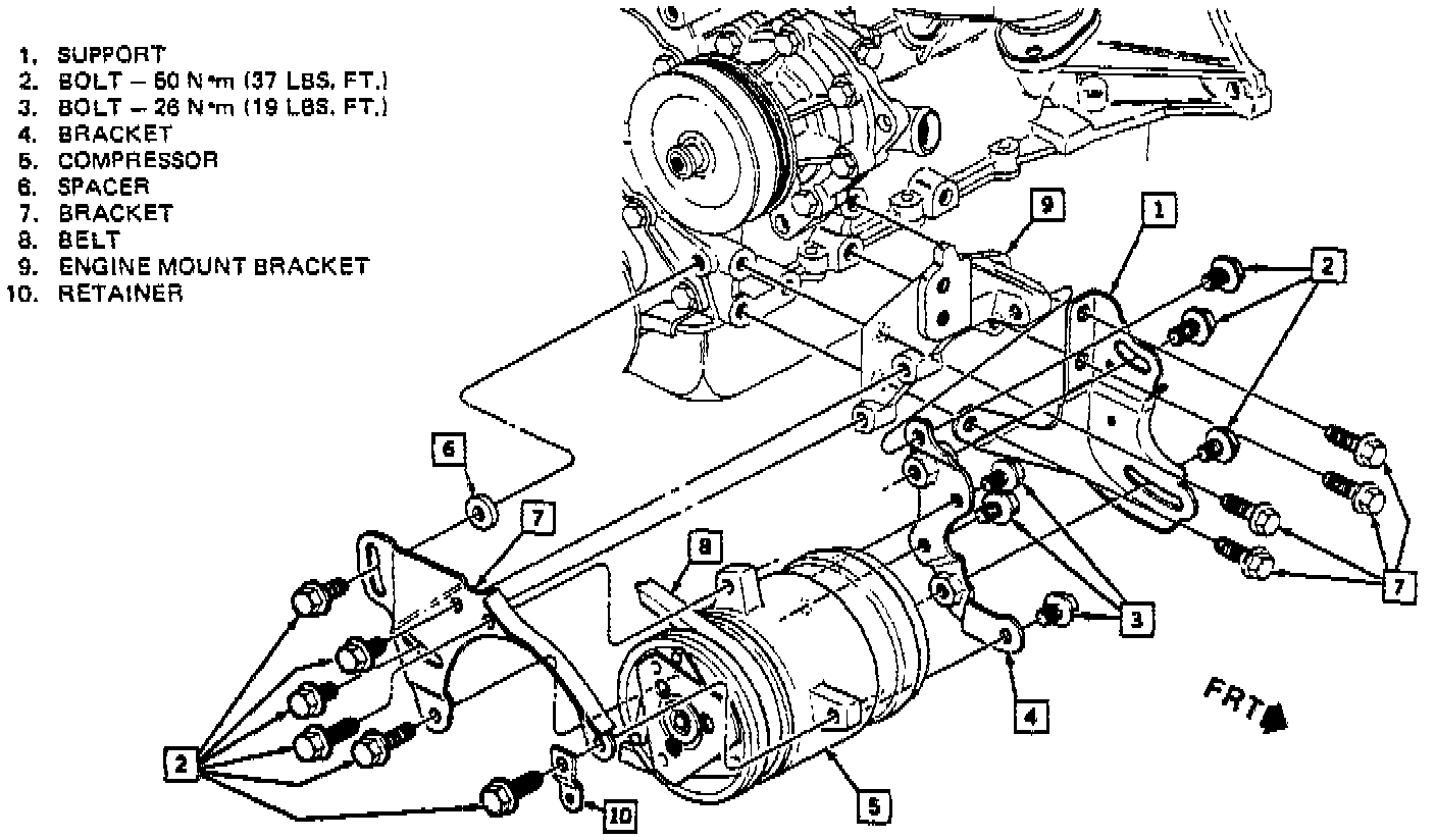
Compressor HVAC: Service and Repair

Compressor Heat Shield - 2.5L(VIN U):




Compressor Mounting - 2.5L(VIN U):




REMOVE OR DISCONNECT
1. Negative battery cable.
2. Discharge A/C system.
3. Hoist vehicle.
4. Splash shield bolts.
5. Belt.
6. Front bracket bolts.
7. Manifold at compressor.
8. Wiring connector.
9. Bolts to compressor.
10. Compressor.

INSTALL OR CONNECT
1. Compressor.
2. Bolts to compressor and tension drive belt to specification.
3. Block fitting to compressor using new O-ring seals.
4 Front bracket.
5. Wiring connector.
6. Belt.
7. Splash shield bolts.
8. Lower vehicle.
9. Negative battery cable.
10. Evacuate and recharge A/C system (charge system with 1.02 kg (2.25 lbs.) of R-12.)