Operation CHARM: Car repair manuals for everyone.
Manuals through 2025 now available!

Our trusted friends have launched a new website named LEMON, which has newer manuals. It also contains all the CHARM manuals.

LEMON is the spiritual successor to CHARM, I recommend you try it!

Link: lemon-manuals.la or lemon-manuals.org.ua

(Some people have issue connecting. LEMON is investigating. For now, use Firefox or change your DNS server)

Or, hide this message: temporarily or permanently

Remove

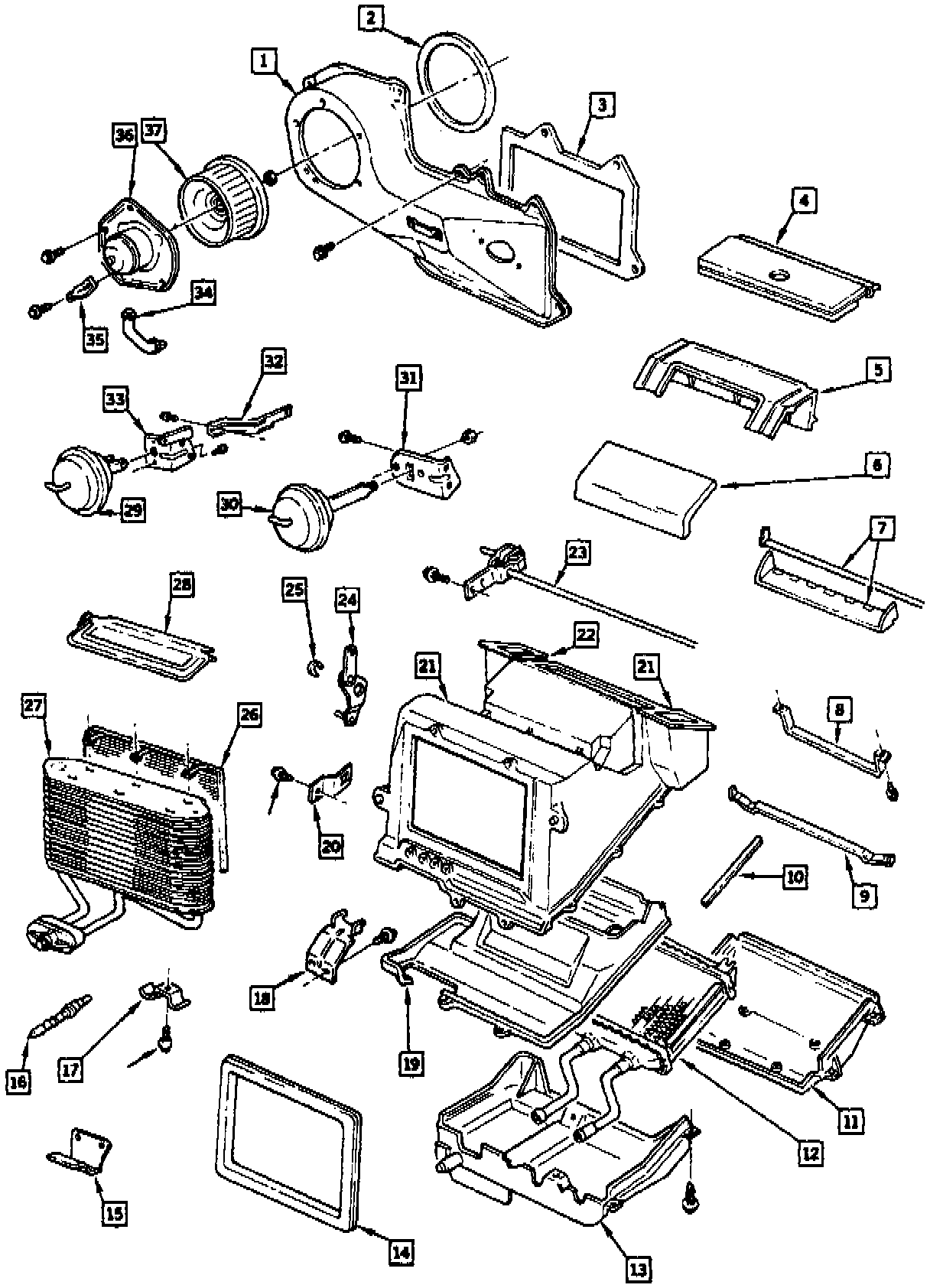
Heater And Evaporator Module (1 Of 2):




Heater And Evaporator Module (2 Of 2):




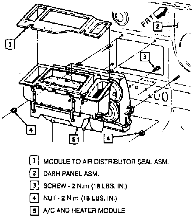
Heater And Evaporator Module To Dash:




REMOVE OR DISCONNECT
1. Drain cooling system.
2. Hoist vehicle.
3. Heater hoses at core.
4. Drain tube.
5. Lower vehicle.
6. Right and left sound insulator.
7. Floor air outlet duct and hoses.
8. Heater core cover.
9. Heater core.