Operation CHARM: Car repair manuals for everyone.
Manuals through 2025 now available!

Our trusted friends have launched a new website named LEMON, which has newer manuals. It also contains all the CHARM manuals.

LEMON is the spiritual successor to CHARM, I recommend you try it!

Link: lemon-manuals.la or lemon-manuals.org.ua

(Some people have issue connecting. LEMON is investigating. For now, use Firefox or change your DNS server)

Or, hide this message: temporarily or permanently

Remove

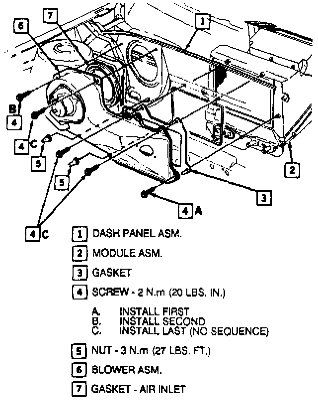
Blower Case, Air Inlet Asm., And Module Asm.:




Heater Module:




REMOVE OR DISCONNECT
1. Negative battery cable.
2. Drain cooling system.
3. Hoist vehicle.
4. Drain tube from heater case.
5. Heater hoses from heater core.
6. Lower vehicle.
7. Right and left sound insulators.
8. Steering column opening filler.
9. Floor air outlet duct.
10. Heater core cover.
11. Heater core mounting clamps and remove heater core.