Electronic/Powertrain Control Module (ECM/PCM)
ECM Wiring Diagram (1 of 3):
B15 = DIAGNOSTIC TEST
W12 = ECM GROUND
W13 = ECM GROUND
B23 = OXYGEN SENSOR GROUND
B1 = SERIAL DATA
B2 = OXYGEN SENSOR SIGNAL
B6 = VSS INPUT (LOW)
B13 = VSS INPUT (HIGH)
W22 = VSS OUTPUT (4000 PPM)
B8 = COOLANT TEMPERATURE SIGNAL
B12 = SENSOR GROUND
B19 = TPS SIGNAL
W11 = 5 VOLT REFERENCE
B20 = MAP SIGNAL
W14 = SENSOR GROUND
B5 = IAT SIGNAL
W7 = IAC COIL "A" HIGH
W17 = IAC COIL "A" LOW
W9 = IAC COIL "B" HIGH
W8 = IAC COIL "B" LOW
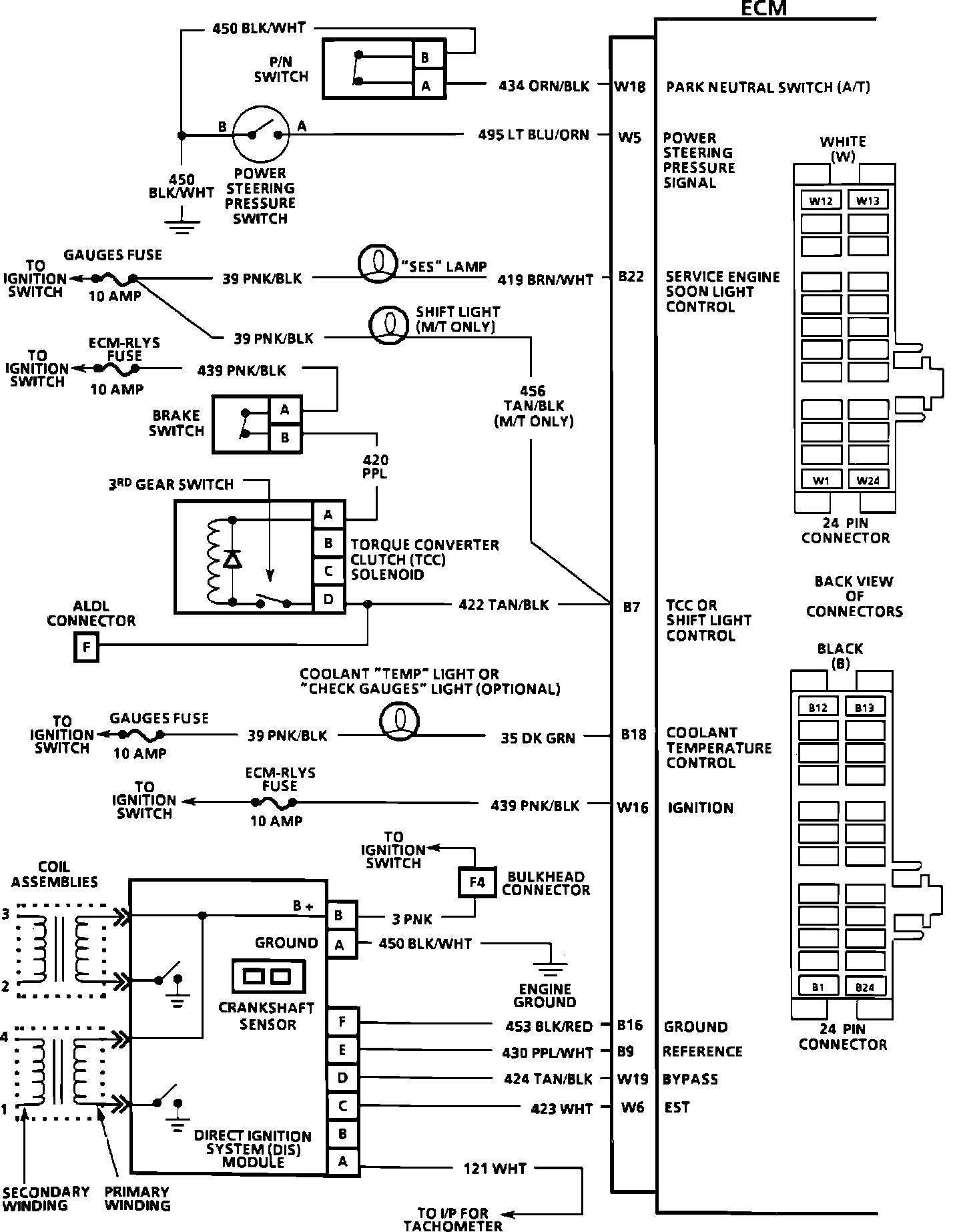
ECM Wiring Diagram (2 of 3):
W18 = PARK NEUTRAL SWITCH (A/T)
W5 = POWER STEERING PRESSURE SIGNAL
B22 = SERVICE ENGINE SOON LIGHT CONTROL
B7 = TCC OR SHIFT LIGHT CONTROL
B18 = COOLANT TEMPERATURE LIGHT
W16 = IGNITION
B16 = GROUND
B9 = REFERENCE
W19 = BYPASS
W6 = EST
ECM Wiring Diagram (3 of 3):
W10 = BATTERY +
W15 = BATTERY +
W1 = INJECTOR DRIVER
W24 = FUEL PUMP RELAY DRIVE
W12 = ECM GROUND
B24 = A/C FAN SIGNAL
W2 = A/C REQUEST
B3 = A/C RELAY CONTROL
B21 = COOLING FAN CONTROL