Operation CHARM: Car repair manuals for everyone.
Manuals through 2025 now available!

Our trusted friends have launched a new website named LEMON, which has newer manuals. It also contains all the CHARM manuals.

LEMON is the spiritual successor to CHARM, I recommend you try it!

Link: lemon-manuals.la or lemon-manuals.org.ua

(Some people have issue connecting. LEMON is investigating. For now, use Firefox or change your DNS server)

Or, hide this message: temporarily or permanently

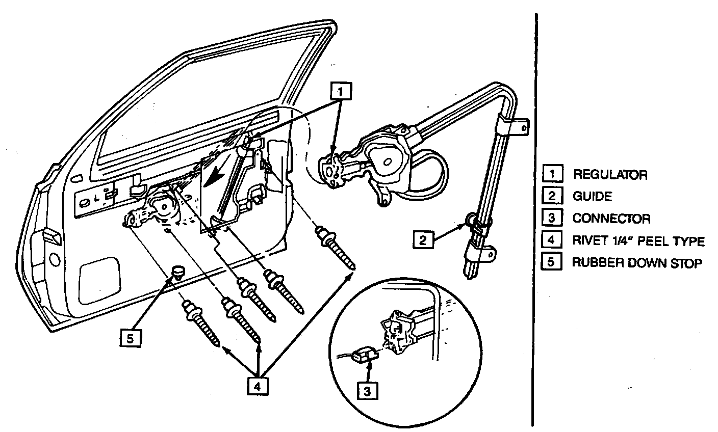
Regulator






The doors incorporate a lightweight tape drive regulator design. The service tape is 1 385 mm (54.5 inches) and must be cut to size as specified when replacing the tape.

Remove or Disconnect

1. Inner belt sealing strip.
2. Trim panel.
3. Water Deflector.
4. Rear two rivets (4) upper and lower holding regulator channel to door panel using 1/4" drill bit.
5. Rubber down stop (5).
6. Lower glass to full down position and slide regulator channel forward disengaging window guide from channel.
7. Place glass in the full up position and wedge or tape in place.
8. Three rivets (4) holding window regulator to door inner panel, using 1/4" drill bit.
9. Wiring connector to motor if present.
10. Regulator from door through large access hole in door inner panel.

Install or Connect

1. Regulator to door.
2. Wiring connector to motor if present.
3. Three rivets (4) holding window regulator to door inner panel, using 1/4" peel type rivets.
4. Lower glass to bottom of door and engage guide to window channel.
5. Raise window and install rubber down stop (5).
6. Two rivets (4) holding regulator channel to door inner panel.
7. Water deflector.
8. Trim panel.
9. Inner belt sealing strip.