Operation CHARM: Car repair manuals for everyone.
Manuals through 2025 now available!

Our trusted friends have launched a new website named LEMON, which has newer manuals. It also contains all the CHARM manuals.

LEMON is the spiritual successor to CHARM, I recommend you try it!

Link: lemon-manuals.la or lemon-manuals.org.ua

(Some people have issue connecting. LEMON is investigating. For now, use Firefox or change your DNS server)

Or, hide this message: temporarily or permanently

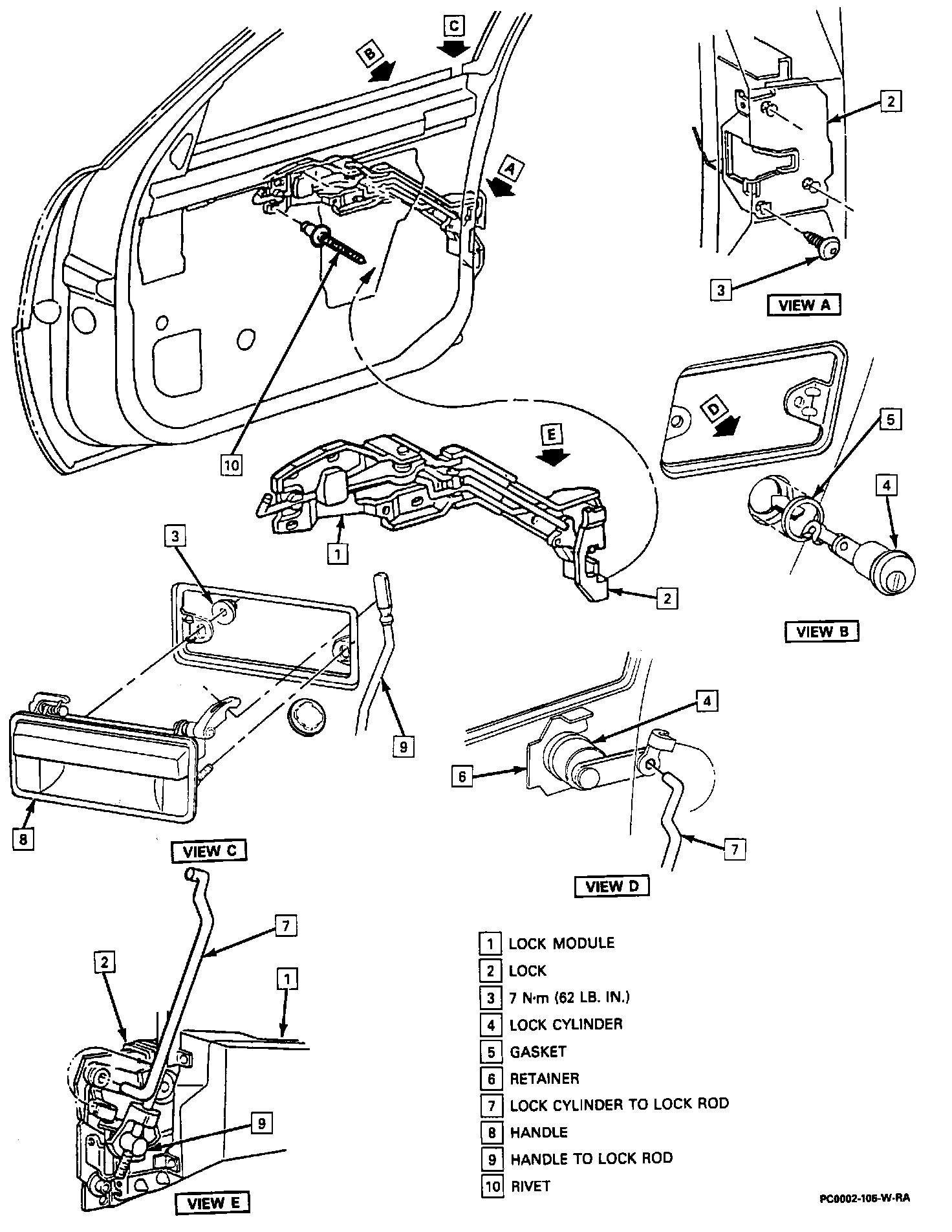
Sedan

Door Lock System:






Remove or Disconnect

1. Door trim panel.
2. Water deflector.
3. Lock cylinder to lock rod.
4. Door handle to lock rod.
5. Screws.
6. Rivets by punching out mandrel, then using a 3/16 inch drill bit.
7. Power lock connector, if equipped.

Install or Connect

1. Handle to lock rod, if removed.
2. Lock module in position through access hole in door inner panel. Install handle to lock rod to handle lever and align module to holes in door facing.

NOTICE: It is required that while performing step 3 that the lock assembly be held tight against door facing while installing screws. All screws must be driven at a 90° angle to door facing to prevent cross threading or stripping of screws or door lock attaching holes. It is also required to tighten screws to specified torque of 7 N.m (62 lb. in.).

3. Screws.

Tighten
^ Screws to 7 N.m (62 lb. in.).

4. Power lock connector, if removed.
5. Rivets using 3/16 inch x 1/4 inch peel type rivets.
6. Door handle to lock rod.
7. Lock cylinder to lock rod.

Inspect
^ Lock system for proper operation.

8. Water deflector.
9. Trim panel.