Operation CHARM: Car repair manuals for everyone.
Manuals through 2025 now available!

Our trusted friends have launched a new website named LEMON, which has newer manuals. It also contains all the CHARM manuals.

LEMON is the spiritual successor to CHARM, I recommend you try it!

Link: lemon-manuals.la or lemon-manuals.org.ua

(Some people have issue connecting. LEMON is investigating. For now, use Firefox or change your DNS server)

Or, hide this message: temporarily or permanently

Automatic Transaxle

Generator Shield (All).:




Generator Shields:




Generator Shim - 3.4L Engine.:




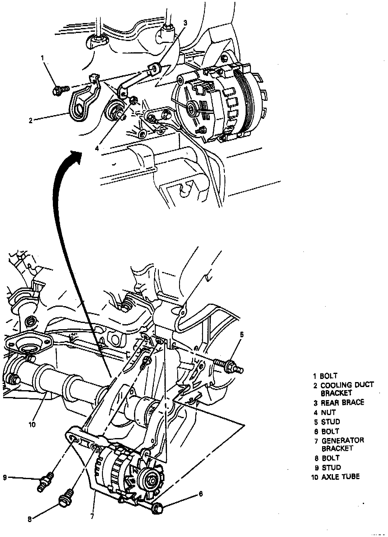
Generator Mounting.:







REMOVE OR DISCONNECT
1. Air cleaner.
2. Negative battery cable at battery.

CAUTION: Failing to disconnect the battery cable may result in an injury. If a tool is shorted at the generator lead, the tool will heat enough to cause a skin burn.

3. Serpentine belt.
4. Power steering clip and upper generator stud nut.
5. Loosen upper generator stud.
6. Raise vehicle and suitably support.
7. Both tire and wheel assemblies.
8. Right engine splash shield upper retaining clips and pull down shield.
9. Upper generator stud.
10. Ball joint nut and separate control arm.
11. Metal drive axle shield.
12. Right drive axle at transaxle.
13. Front exhaust pipe and converter assembly.
14. Lower generator bolt.
15. Generator rear brace bolt.

^ Access bolt through left wheel opening using a 4 foot extension.

16. Loosen generator rear brace nut at engine.

^ Access nut through right wheel well behind generator.

17. Generator at mounting bracket.
18. Generator electrical connectors from generator.
19. Nut and battery positive lead from generator output ("BAT") terminal.
20. Generator.


INSTALL OR CONNECT
1. Generator.
2. Generator electrical connectors to generator.
3. Battery positive lead and nut to generator output ("BAT") terminal. Tighten Nut to 8 Nm (71 in lb).
4. Generator to mounting bracket and loosely install mounting bolt.

^ If replacement generator does not fit, remove adhesive-backed shim from generator bracket (see Figure).

5. Generator rear brace and bolt, including cooling duct bracket.

^ Access bolt through left wheel opening using a 4 foot extension.


Tighten
^ Generator rear brace bolt to 25 Nm (18 ft lb).
^ Generator rear brace nut to 50 Nm (37 ft lb) by accessing through right wheel well behind generator.
^ Generator lower mounting bolt to 50 Nm (37 ft lb).

6. Front exhaust pipe and converter assembly.
7. Right drive axle at transaxle.
8. Metal drive axle shield.
9. Ball joint nut.
10. Upper generator stud, loosely installed.
11. Right engine splash shield and upper retaining clips.
12. Both tire and wheel assemblies.
13. Lower vehicle.
14. Upper generator stud to 25 Nm (18 ft lb).
15. Power steering clip and upper generator stud nut.
16. Serpentine belt.
17. Negative battery cable.
18. Tighten Cable bolt to 15 Nm (11 ft lb).
19. Air cleaner.


ADJUST
^ Transaxle fluid level as necessary.