Operation CHARM: Car repair manuals for everyone.
Manuals through 2025 now available!

Our trusted friends have launched a new website named LEMON, which has newer manuals. It also contains all the CHARM manuals.

LEMON is the spiritual successor to CHARM, I recommend you try it!

Link: lemon-manuals.la or lemon-manuals.org.ua

(Some people have issue connecting. LEMON is investigating. For now, use Firefox or change your DNS server)

Or, hide this message: temporarily or permanently

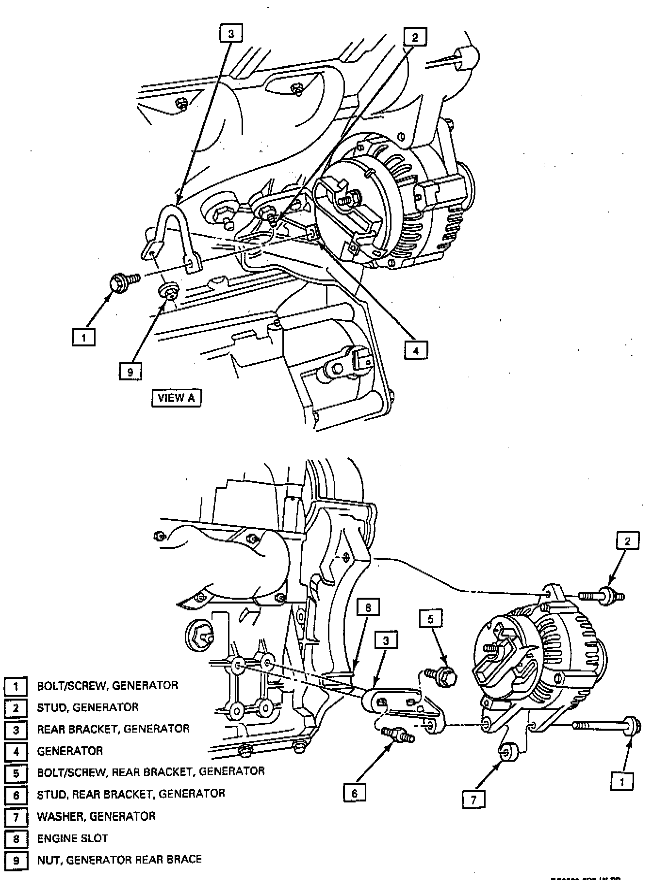
Alternator Assembly Replacement

Generator Shield (All).:




Generator Shield.:




Generator Shim - 3.4L Engine.:




Generator Mounting.:







REMOVE OR DISCONNECT
1. Air cleaner assembly.
2. Negative battery cable at battery.
3. Coolant recovery tank and position aside.
4. Serpentine drive belt.
5. Raise vehicle and suitably support.
6. Both tire and wheel assemblies.
7. Right engine splash shield upper retaining clips and pull down shield.
8. Front exhaust pipe and converter assembly.
9. Generator splash shield retaining screws and shield.
10. Right ball joint nut and separate control arm.
11. Right drive axle from transaxle.
12. Steering gear heat shield retaining screws and shield.
13. Knock sensor electrical connector.
14. Generator cooling duct. Refer to "Generator Cooling Duct".
15. Generator rear brace bolt.

^ Access bolt through left wheel opening using a 4 foot extension.

16. Loosen generator rear brace nut at engine.

^ Access nut through right wheel well behind generator.

17. Power steering clip and upper generator stud nut.
18. Generator electrical connector from generator.
19. Battery positive lead and nut from generator output ("BAT") terminal.
20. Generator assembly upper stud, lower bolt/screw and washer.
21. Generator assembly.


INSTALL OR CONNECT
1. Generator assembly.
2. Generator electrical connectors to generator.
3. Battery positive lead and nut to generator output ("BAT") terminal. Tighten Nut to 20 Nm (15 ft lb).
4. Generator to mounting bracket and loosely install washer, lower bolt and upper stud.

^ If replacement generator does NOT fit, remove adhesive-backed shim from generator bracket (see Figure).

5. Generator rear brace and bolt, including cooling duct bracket.

^ Parts should fit easily. Tightening bolts and nuts MUST NOT put generator assembly in a bind.
^ Access bolt through left wheel opening using a 4 foot extension.


Tighten
A. Generator lower mounting bolt to 50 Nm (37 ft lb).
B. Generator upper mounting stud to 25 Nm (18 ft lb).
C. Generator rear brace nut to 50 Nm (37 ft lb) by accessing through right wheel well behind generator.
D. Generator rear brace bolt to 25 Nm (18 ft lb).

6. Upper generator stud nut and power steering clip.
7. Generator cooling duct. Refer to "Generator Assembly Cooling Duct".
8. Knock sensor electrical connector.
9. Steering gear heat shield and retaining screws.

10. Right drive axle to transaxle.
11. Right control arm and ball joint nut.
12. Steel drive axle shield and retaining screws.
13. Front exhaust pipe and converter assembly.
14. Right engine splash shield using upper retaining clips.
15. Both tire and wheel assemblies.
16. Lower vehicle.
17. Serpentine belt.
18. Coolant recovery tank.
19. Negative battery cable at battery. Tighten Cable bolt to 15 Nm (11 ft lb).
20. Air cleaner assembly.
21. Adjust transaxle fluid level as necessary.