Operation CHARM: Car repair manuals for everyone.
Manuals through 2025 now available!

Our trusted friends have launched a new website named LEMON, which has newer manuals. It also contains all the CHARM manuals.

LEMON is the spiritual successor to CHARM, I recommend you try it!

Link: lemon-manuals.la or lemon-manuals.org.ua

(Some people have issue connecting. LEMON is investigating. For now, use Firefox or change your DNS server)

Or, hide this message: temporarily or permanently

Engine Controls Diagrams

POWERTRAIN CONTROL MODULE PINOUTS


PCM Wiring Schematic (1 Of 4):






J1-24 PCM GROUND
J2-25 PCM GROUND (NON A/C PROGRAM)
J1-23 PCM GROUND
J2-20 SERIAL DATA
J2-09 IGNITION FEED
J2-04 IGNITION FEED
J1-11 BATTERY FEED (B+)
J1-12 OXYGEN SENSOR (O2S) SIGNAL
J1-06 OXYGEN SENSOR (O2S) LOW
J1-10 IAT SENSOR SIGNAL
J2-22 TP, IAT SENSOR GROUND
J1-29 TP SENSOR SIGNAL
J2-23 5 VOLT REFERENCE
J1-30 A/C REFRIGERANT PRESSOR SENSOR SIGNAL
J2-07 5 VOLT REFERENCE
J2-03 MAP SENSOR SIGNAL
J2-06 MAP, ECT, A/C SENSOR GROUND
J1-09 ECT SENSOR SIGNAL
J2-02 KNOCK SENSOR (KS) SIGNAL


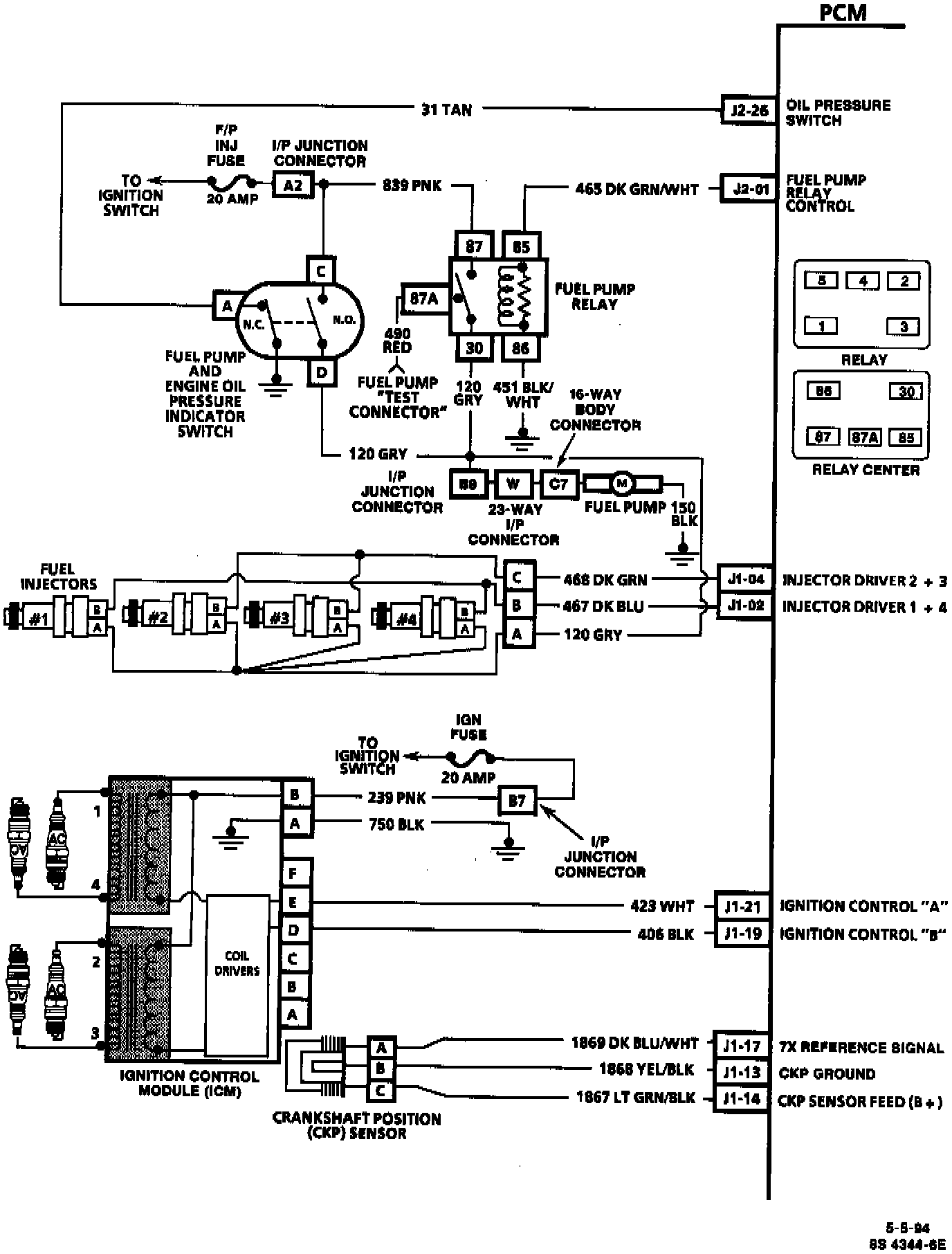
PCM Wiring Schematic (2 Of 4):







J2-26 OIL PRESSURE SWITCH
J2-01 FUEL PUMP RELAY CONTROL
J1-04 INJECTOR DRIVER 2 & 3
J1-02 INJECTOR DRIVER 1 & 4
J1-21 IGNITION CONTROL "A"
J1-19 IGNITION CONTROL "B"
J1-17 7X REFERENCE SIGNAL
J1-13 CRANK POSITION (CKP) GROUND
J1-14 CKP SENSOR FEED (B+)


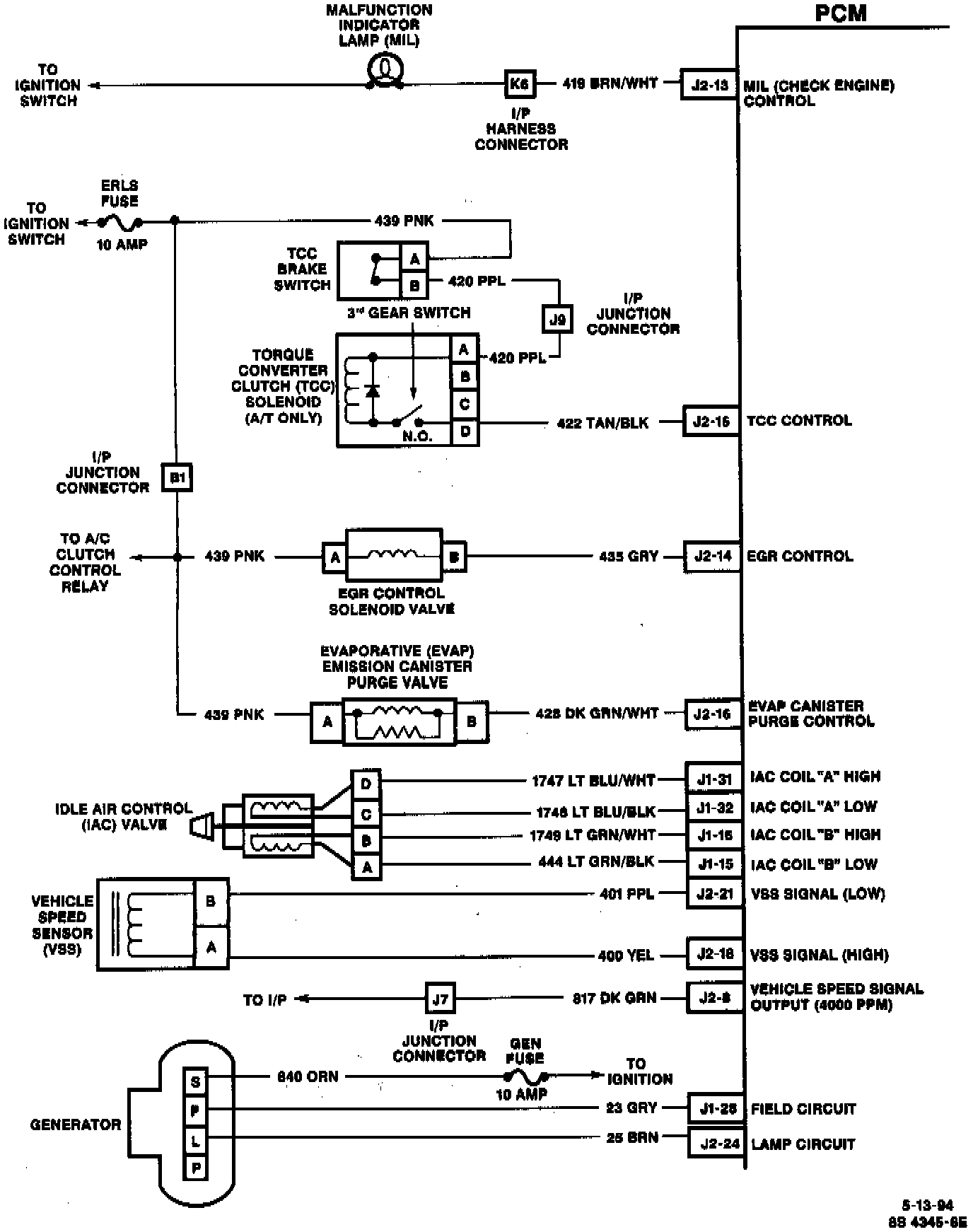
PCM Wiring Schematic (3 Of 4):






J2-13 MIL (CHECK ENGINE) CONTROL
J2-15 TCC CONTROL
J2-14 EGR CONTROL
J2-16 EVAP CANISTER PURGE CONTROL
J1-31 IAC COIL "A" HIGH
J1-32 IAC COIL "A" LOW
J1-16 IAC COIL "B" HIGH
J1-15 IAC COIL "B" LOW
J2-21 VSS SIGNAL (LOW)
J2-18 VSS SIGNAL (HIGH)
J2- 8 VEHICLE SPEED SIGNAL OUTPUT (4000 PPM)
J1-28 FIELD CIRCUIT
J2-24 LAMP CIRCUIT



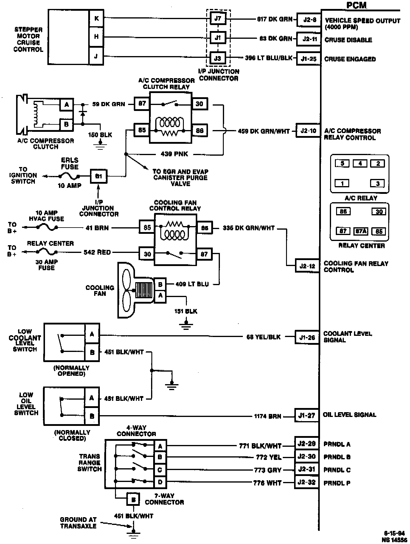
PCM Wiring Schematic (4 Of 4):






J2- 8 VEHICLE SPEED SIGNAL OUTPUT (4000 PPM)
J2-11 CRUISE DISABLE
J1-25 CRUISE ENGAGE
J2-10 A/C COMPRESSOR RELAY CONTROL
J2-12 COOLING FAN RELAY CONTROL
J1-26 COOLANT LEVEL SIGNAL
J1-27 OIL LEVEL SIGNAL
J2-29 PRNDL A
J2-30 PRNDL B
J2-31 PRNDL C
J2-32 PRNDL P