Operation CHARM: Car repair manuals for everyone.
Manuals through 2025 now available!

Our trusted friends have launched a new website named LEMON, which has newer manuals. It also contains all the CHARM manuals.

LEMON is the spiritual successor to CHARM, I recommend you try it!

Link: lemon-manuals.la or lemon-manuals.org.ua

(Some people have issue connecting. LEMON is investigating. For now, use Firefox or change your DNS server)

Or, hide this message: temporarily or permanently

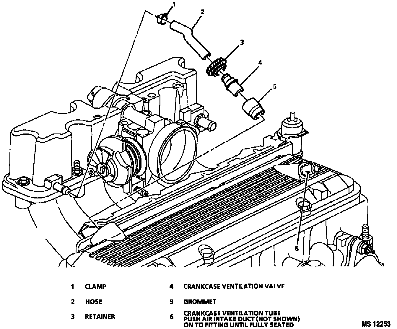
Positive Crankcase Ventilation: Testing and Inspection

Crankcase Ventilation Valve Cross Section:




Crankcase Ventilation System:






If an engine is idling rough, check for a clogged crankcase ventilation valve or plugged hose. Replace as required. Use the following procedure:

1. Remove valve retainer plug from rocker arm cover.
2. Remove valve from rocker arm cover.
3. Install valve in vacuum hose.
4. Run the engine at idle.
5. Place your thumb over end of valve to check for vacuum. If there is no vacuum at valve, check for plugged hoses at manifold port, or valve. Replace plugged or deteriorated hoses.
6. Turn the engine "OFF" and remove valve. Shake valve and listen for a rattle inside the valve. If valve does not rattle, replace valve.

With this system any blow-by in excess of the system capacity (from a badly worn engine, sustained heavy load, etc.) is exhausted into the air cleaner and drawn into the engine.

Proper operation of the crankcase ventilation system is dependent upon a sealed engine. If oil sludging or dilution is noted, and the crankcase ventilation system is functioning properly, check engine for possible cause and correct to ensure system will function as intended.

RESULTS OF INCORRECT OPERATION
A plugged valve or hose may cause:
^ Rough idle.
^ Stalling or slow idle speed.
^ Oil leaks.
^ Oil in air cleaner.
^ Sludge in engine.

A leaking or stuck open valve, leaking hose, or missing grommet may cause:
^ Rough idle.
^ Stalling.
^ High idle speed.