Operation CHARM: Car repair manuals for everyone.
Manuals through 2025 now available!

Our trusted friends have launched a new website named LEMON, which has newer manuals. It also contains all the CHARM manuals.

LEMON is the spiritual successor to CHARM, I recommend you try it!

Link: lemon-manuals.la or lemon-manuals.org.ua

(Some people have issue connecting. LEMON is investigating. For now, use Firefox or change your DNS server)

Or, hide this message: temporarily or permanently

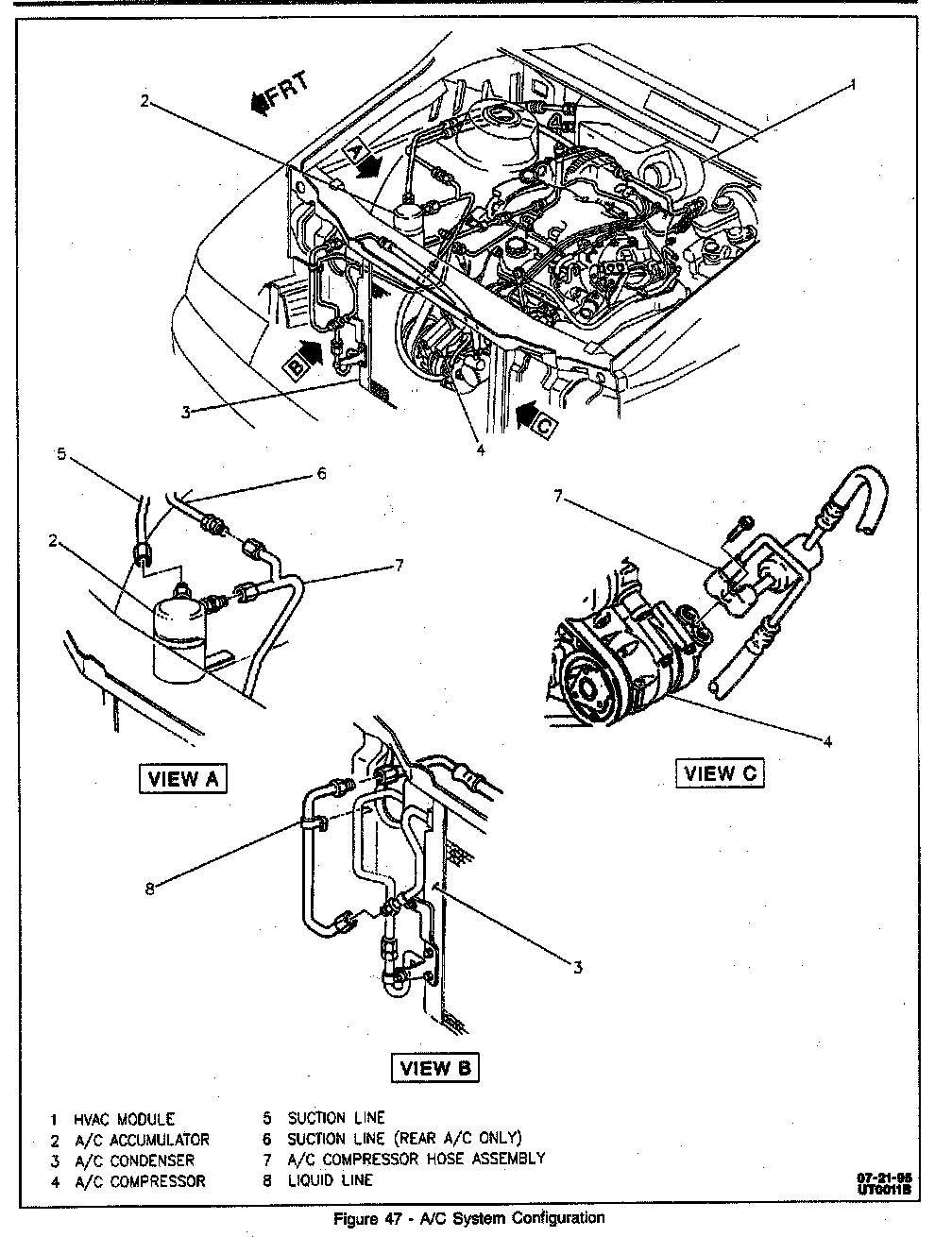
Condenser HVAC: Service and Repair

A/C CONDENSER








Remove or Disconnect


1. Recover refrigerant.
2. Auxiliary cooling fan.
3. A/C compressor to condenser line.
Use a backup wrench while loosening fitting.

4, A/C condenser tube (condenser to evaporator).
Use a backup wrench while loosening fitting.

5. Condenser lower support brackets.
6. Condenser from vehicle.


Install or Connect

Important: Lightly coat 0-rings with mineral base 525 viscosity refrigerant oil.

1. Condenser from vehicle.
2. Condenser lower support brackets.

Tighten bolts to 6 N.m (53 lb. ft.).

3. A/C condenser tube (condenser to evaporator) to A/C condenser.

Tighten nut to 24 N.m (18 lb. ft.).
Use a backup wrench while torquing fitting.

4. A/C compressor and condenser line.

Tighten nut fitting to 24 N.m (18 lb. ft.).
Use a backup wrench while torquing fitting.

5. Auxiliary cooling fan.
6. Evacuate and charge A/C ayatem.
7. Leak-test fittings.