Operation CHARM: Car repair manuals for everyone.
Manuals through 2025 now available!

Our trusted friends have launched a new website named LEMON, which has newer manuals. It also contains all the CHARM manuals.

LEMON is the spiritual successor to CHARM, I recommend you try it!

Link: lemon-manuals.la or lemon-manuals.org.ua

(Some people have issue connecting. LEMON is investigating. For now, use Firefox or change your DNS server)

Or, hide this message: temporarily or permanently

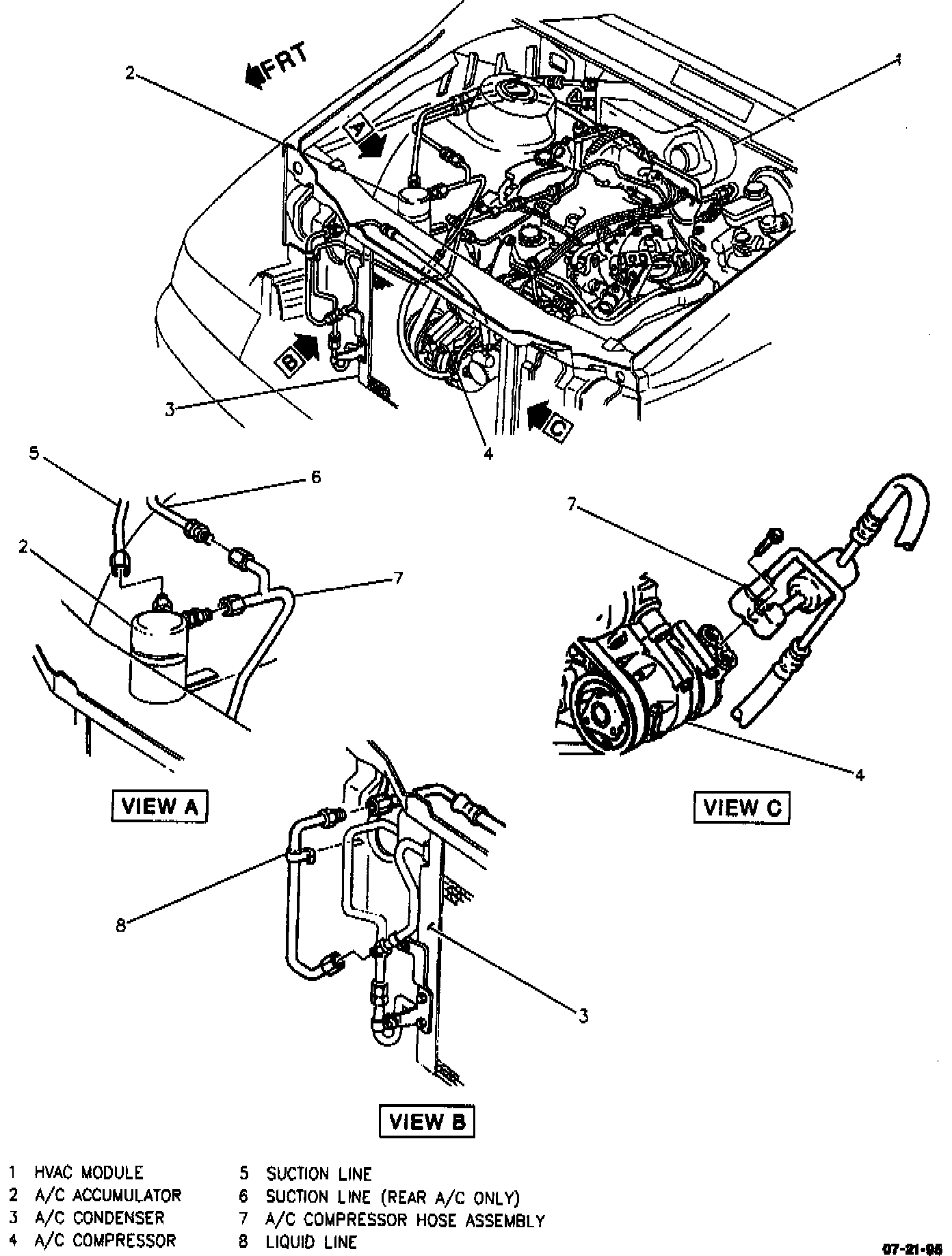
Expansion Block/Orifice Tube: Service and Repair

A/C System Configuration:




Expansion (Orifice) Tube:





Tool Required: J26549-E Orifice Tube Remover and Extractor

Note: Metal chips, flakes or slivers found on the expansion tube screen can usually be blown out with air once the tube is removed. Replace the A/C evaporator tube orifice only if one or more of the following conditions are evident:

^ Plastic frame is broken.

^ Brass orifice tube is damaged or plugged.

^ Screen material is torn.

^ Screen is plugged and cannot be cleaned.

Remove or Disconnect
1. Recover refrigerant.
2. A/C condenser pipe to A/C evaporator tube (condenser to evaporator) fitting. Use a backup wrench while loosening fitting.
3. A/C evaporator orifice tube from A/C evaporator pipe with J 26549-E.

Important: If the A/C evaporator tube orifice is plugged or restricted to the point where it can not be removed without considerable effort, replace the entire A/C evaporator hose.

Install or Connect

Important: O-rings; Lightly coat O-rings with mineral base 525 viscosity refrigerant oil.

1. A/C evaporator orifice tube into A/C evaporator pipe (shorter screen end first).
2. A/C evaporator pipe fitting at A/C condenser tube (condenser to evaporator).

Tighten:
^ Nut to 24 Nm (18 lb. ft.). Use a backup wrench while torquing fitting.

3. Evacuate and charge A/C system.
4. Leak-test fittings.