Operation CHARM: Car repair manuals for everyone.
Manuals through 2025 now available!

Our trusted friends have launched a new website named LEMON, which has newer manuals. It also contains all the CHARM manuals.

LEMON is the spiritual successor to CHARM, I recommend you try it!

Link: lemon-manuals.la or lemon-manuals.org.ua

(Some people have issue connecting. LEMON is investigating. For now, use Firefox or change your DNS server)

Or, hide this message: temporarily or permanently

Compressor Replacement








Important

^ Compressor related noise is generally A/C system related and not always the compressor itself. Prior to replacing compressor, refer to "Air Conditioning System Noise Diagnosis."

Remove or Disconnect

1. Recover refrigerant. Refer to "Refrigerant Recovery and Recycling, Adding Oil, Evacuating and Recharging Procedures."
2. Serpentine drive belt.
3. Electrical connector at compressor (2).
4. Raise and suitably support vehicle.
5. Bolt/screw (28).
6. Hose (7) from compressor (2).
^ Discard seals (18).
7. Battery negative cable nut from stud (44).
8. Stud (44) from engine block.
9. Bolts/screws (38).
10. Compressor (2) and rear bracket (61).
11. Bolts/screws (62) and rear bracket (61), if necessary.

Install or Connect

1. Polyalkaline glycol (PAG) refrigerant oil.
^ If compressor is being replaced, drain refrigerant oil from both defective compressor and new compressor. Oil must be drained through the crankcase drain plug and suction/discharge ports. Measure amount removed from defective compressor. If measured amount is less than 30 ml (1 fluid ounce), add 60 ml (2 fluid ounces) to new replacement compressor. If more than 30 ml (1fluid ounce) is drained from defective compressor, add same amount to new compressor. Use PAG refrigerant oil only.
2. Rear bracket (61) and bolts/screws (62), if removed.

Tighten

^ Bolts/screws (62) to 25 N.m (18 lb. ft.).

3. Compressor (2) and rear bracket (61).
4. Bolts/screws (38).

Tighten

^ Bolts/screws (38) to 50 N.m (37 lb. ft.).

5. Stud (44) to engine block.

Tighten

^ Stud (44) to 50 N.m (37 lb. ft.).

6. Battery negative cable and nut to stud (44).

Tighten

^ Nut to 25 N.m (18 lb. ft.).

7. Seals (18) to A/C compressor and condenser hose (7),
^ Lightly coat seals with mineral base 525 viscosity refrigerant oil.
8. Hose (7) to compressor (2).
9. Bolt/screw (28).

Tighten

^ Bolt/screw (28) to 33 N.m (24 lb. ft.).

10. Lower vehicle.
11. Electrical connector to compressor (2).
12. Serpentine drive belt.
13. Charge A/C system. Refer to "Refrigerant Recovery and Recycling, Adding Oil, Evacuating and Recharging Procedures."
14. Leak-test A/C system. Refer to "Leak-Testing the Refrigeration System."

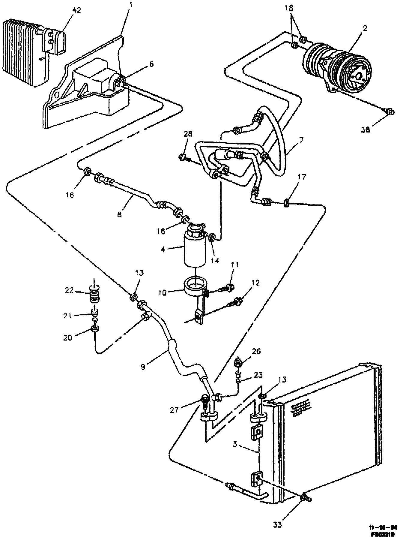
Image Legend

1 MODULE, HEATER AND AIR CONDITIONING EVAPORATOR

2 COMPRESSOR, AIR CONDITIONING

3 CONDENSER, AIR CONDITIONING

4 ACCUMULATOR, AIR CONDITIONING

6 EVAPORATOR, AIR CONDITIONING

7 HOSE, AIR CONDITIONING COMPRESSOR AND CONDENSER

8 HOSE, ACCUMULATOR

9 TUBE, AIR CONDITIONING EVAPORATOR

10 BRACKET, AIR CONDITIONING ACCUMULATOR

11 BOLT/SCREW, AIR CONDITIONING ACCUMULATOR CLAMP

12 BOLT/SCREW, AIR CONDITIONING ACCUMULATOR BRACKET

13 O-RING, AIR CONDITIONING EVAPORATOR TUBE

14 O-RING, AIR CONDITIONING COMPRESSOR AND CONDENSER HOSE

16 O-RING, AIR CONDITIONING ACCUMULATOR HOSE

17 O-RING, AIR CONDITIONING COMPRESSOR AND CONDENSER HOSE

18 SEAL, AIR CONDITIONING COMPRESSOR AND CONDENSER HOSE

20 O-RING, AIR CONDITIONING REFRIGERANT PRESSURE SENSOR

21 VALVE, AIR CONDITIONING REFRIGERANT PRESSURE SENSOR

22 SENSOR, AIR CONDITIONING REFRIGERANT PRESSURE SENSOR

23 CORE, AIR CONDITIONING REFRIGERANT SERVICE VALVE

26 CAP, AIR CONDITIONING REFRIGERANT CHARGE VALVE

27 BOLT/SCREW, AIR CONDITIONING EVAPORATOR TUBE

28 BOLT/SCREW, AIR CONDITIONING COMPRESSOR AND CONDENSER HOSE

33 RETAINER, RADIATOR AIR UPPER BAFFLE

38 BOLT/SCREW, AIR CONDITIONING COMPRESSOR

39 NUT, AIR CONDITIONING COMPRESSOR