Operation CHARM: Car repair manuals for everyone.
Manuals through 2025 now available!

Our trusted friends have launched a new website named LEMON, which has newer manuals. It also contains all the CHARM manuals.

LEMON is the spiritual successor to CHARM, I recommend you try it!

Link: lemon-manuals.la or lemon-manuals.org.ua

(Some people have issue connecting. LEMON is investigating. For now, use Firefox or change your DNS server)

Or, hide this message: temporarily or permanently

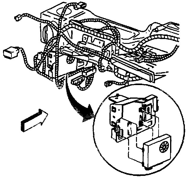
Body Control Module: Service and Repair

Description:






Remove or Disconnect
1. Battery ground (negative) cable.
2. Left instrument panel insulator.
3. BCM electrical connectors.
4. BCM by pressing the retaining tab in and sliding the BCM down out of the mounting bracket.

Install or Connect
1. BCM by sliding it up into the mounting bracket until it stops (insure that the retaining tab will stop the BCM from sliding down and out of the mounting bracket).
2. BCM electrical connectors.
3. Left instrument panel insulator.
4. Battery ground (negative) cable.