Operation CHARM: Car repair manuals for everyone.
Manuals through 2025 now available!

Our trusted friends have launched a new website named LEMON, which has newer manuals. It also contains all the CHARM manuals.

LEMON is the spiritual successor to CHARM, I recommend you try it!

Link: lemon-manuals.la or lemon-manuals.org.ua

(Some people have issue connecting. LEMON is investigating. For now, use Firefox or change your DNS server)

Or, hide this message: temporarily or permanently

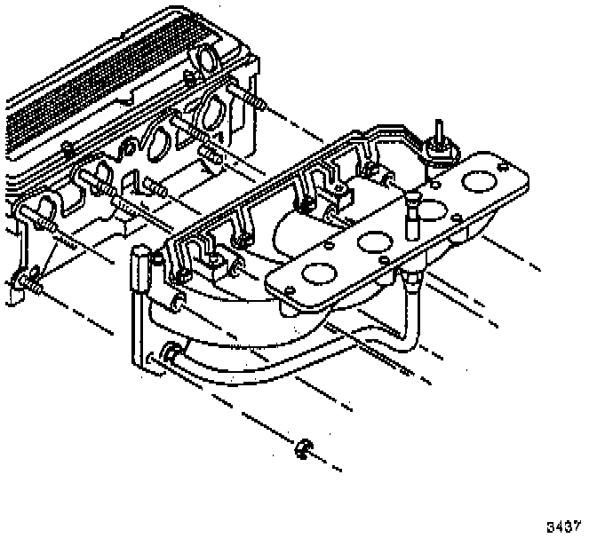
Installation

1. Install a new lower intake manifold gasket.





2. Install the lower intake manifold assembly.
3. Install the lower intake manifold to cylinder head studs. Tighten the studs to 10 Nm (89 inch lbs.).





4. Install the lower intake manifold to cylinder head nuts. Tighten the nuts to 33 Nm (24 ft. lbs.).
5. Install the transmission fill tube attaching nut.
6. Install the fuel inlet pipe retainers. Tighten the bolts to 25 Nm (18 inch lbs.).
7. Install the bolt holding the intake brace to the power steering pump brace.





8. Connect the fuel feed and return quick-connect fittings.
9. Install the upper intake manifold.





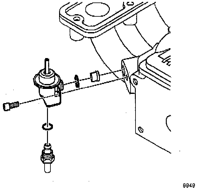
10. Install the manifold absolute pressure sensor.
11. Install the manifold absolute pressure sensor bolt. Tighten the bolt to 3 Nm (27 inch lbs.).





12. Install the two bolts and one nut attaching the accelerator cable bracket.





13. Connect the following electrical connectors:
^ The manifold absolute pressure
^ The throttle position sensor
^ The idle air control
14. Connect the PCV and brake vacuum hoses at the upper intake manifold.
15. Install the vacuum hose harness from the top of the air inlet.
16. Connect the following cables:
^ The accelerator
^ The cruise control
^ The transmission control
17. Install the accelerator cable splash shield.
18. Install the accelerator cable splash shield screws. Tighten the screws to 25 Nm (18 inch lbs.).
19. Install the air inlet duct assembly.
20. Install the fuel pump fuse. Check the fuel pump fuse for leaks.
21. Connect the negative battery cable.