Operation CHARM: Car repair manuals for everyone.
Manuals through 2025 now available!

Our trusted friends have launched a new website named LEMON, which has newer manuals. It also contains all the CHARM manuals.

LEMON is the spiritual successor to CHARM, I recommend you try it!

Link: lemon-manuals.la or lemon-manuals.org.ua

(Some people have issue connecting. LEMON is investigating. For now, use Firefox or change your DNS server)

Or, hide this message: temporarily or permanently

Timing Chain Replacement

REMOVAL PROCEDURE
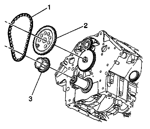
1. Remove the engine front cover.





2. Align the timing marks (2) on the sprocket (1, 3) so that they are as close together as possible.
3. Remove the timing chain dampener.





4. Remove the camshaft sprocket bolt.
5. Remove the timing chain (1) and camshaft sprocket (2).

IMPORTANT: If crankshaft sprocket does not come off easily, a light blow on the edge of the sprocket (with a plastic mallet) should dislodge the sprocket.

6. Remove the crankshaft sprocket (3).
7. Clean the timing chain.
8. Clean the sprockets.
9. Inspect all the components for wear or damage.
10. If the balance shaft timing has been disturbed.
Refer to "Balance Shaft Installation" in "Unit Repair" of Engine.
11. Use the following steps if the pistons have been moved in the engine:
11.1. Turn the crankshaft in order to set the number one piston is at top dead center.
11.2. With the sprocket installed, turn the camshaft in order to have the timing mark straight down.

INSTALLATION PROCEDURE

^ Tools Required
- J36660 Torque Angle Meter





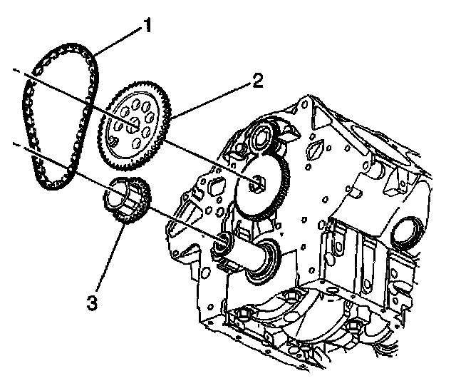
1. Install the timing chain (1) onto the sprockets (2, 3) with the timing marks in their closest together position.
2. Install the timing chain (1) and sprockets (2, 3).

NOTICE: Refer to Fastener Notice in Service Precautions.

3. Install the camshaft sprocket bolt.
^ Tighten the camshaft sprocket bolt to 100 Nm (74 ft. lbs.). Using J36660 tighten the camshaft sprocket bolt an additional 90 degrees.
4. Install the timing chain dampener.
5. Install the timing chain dampener bolt.
^ Tighten the dampener bolt to 22 Nm (16 ft. lbs.).

IMPORTANT: Rotate the engine two revolutions and check the timing marks. Ensure the marks are aligned.

6. Install the engine front cover.