Operation CHARM: Car repair manuals for everyone.
Manuals through 2025 now available!

Our trusted friends have launched a new website named LEMON, which has newer manuals. It also contains all the CHARM manuals.

LEMON is the spiritual successor to CHARM, I recommend you try it!

Link: lemon-manuals.la or lemon-manuals.org.ua

(Some people have issue connecting. LEMON is investigating. For now, use Firefox or change your DNS server)

Or, hide this message: temporarily or permanently

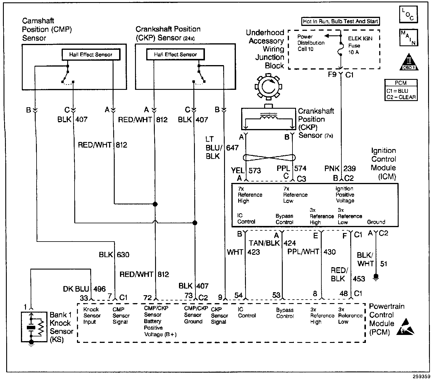
System Diagnosis - Ignition System









CIRCUIT DESCRIPTION
When any condition is suspected to be caused by or related to the Ignition System, the first step in diagnosis should be to Perform the Powertrain OBD System Check. Testing and Inspection