Ride/Trim Height Specifications
Part 3 Of 4:
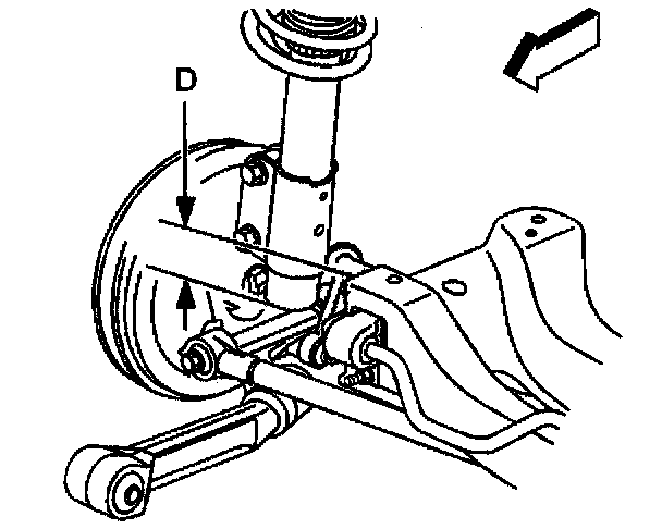
2 Door
Suspension: FE2
Tire size: P215/60R
Engine: LD9/LA1/LG8 (2.4L, 3.4L, 3.1L)
Z: 0
D: 123 mm (4 27/32in)
J: 237 mm (9 21/64 in)
K: 244 mm (9 39/64 in)
4 Door
Suspension: FE2
Tire size: P225/50R
Engine: LD9/LA1/LG8 (2.4L, 3.4L, 3.1L)
Z: -6 mm (13/64 in)
D: 120 mm (4 3/4 in)
J: 237 mm (9 21/64 in)
K: 244 mm (9 39/64 in)
2 Door
Suspension: FE3
Tire size: P225/50R
Engine: LA1 (3.4L)
Z: -5 mm (13/64 in)
D: 121 mm (4 49/64 in)
J: 237 mm (9 21/64 in)
K: 244 mm (9 39/64 in)
4 Door
Suspension: FE3
Tire size: P225/50R
Engine: LA1 (3.4L)
Z: -5 mm (13/64 in)
D: 121 mm (4 49/64 in)
J: 237 mm (9 21/64 in)
K: 244 mm (9 39/64 in)
All measurements are taken with a full tank of fuel.
The measurements for D, J, K and Z all have -10 to 10 (-3/8-3/8in) tolerance.