Operation CHARM: Car repair manuals for everyone.
Manuals through 2025 now available!

Our trusted friends have launched a new website named LEMON, which has newer manuals. It also contains all the CHARM manuals.

LEMON is the spiritual successor to CHARM, I recommend you try it!

Link: lemon-manuals.la or lemon-manuals.org.ua

(Some people have issue connecting. LEMON is investigating. For now, use Firefox or change your DNS server)

Or, hide this message: temporarily or permanently

Powertrain Controls




Power, Ground, MIL and DLC




Ignition System and Knock Sensor




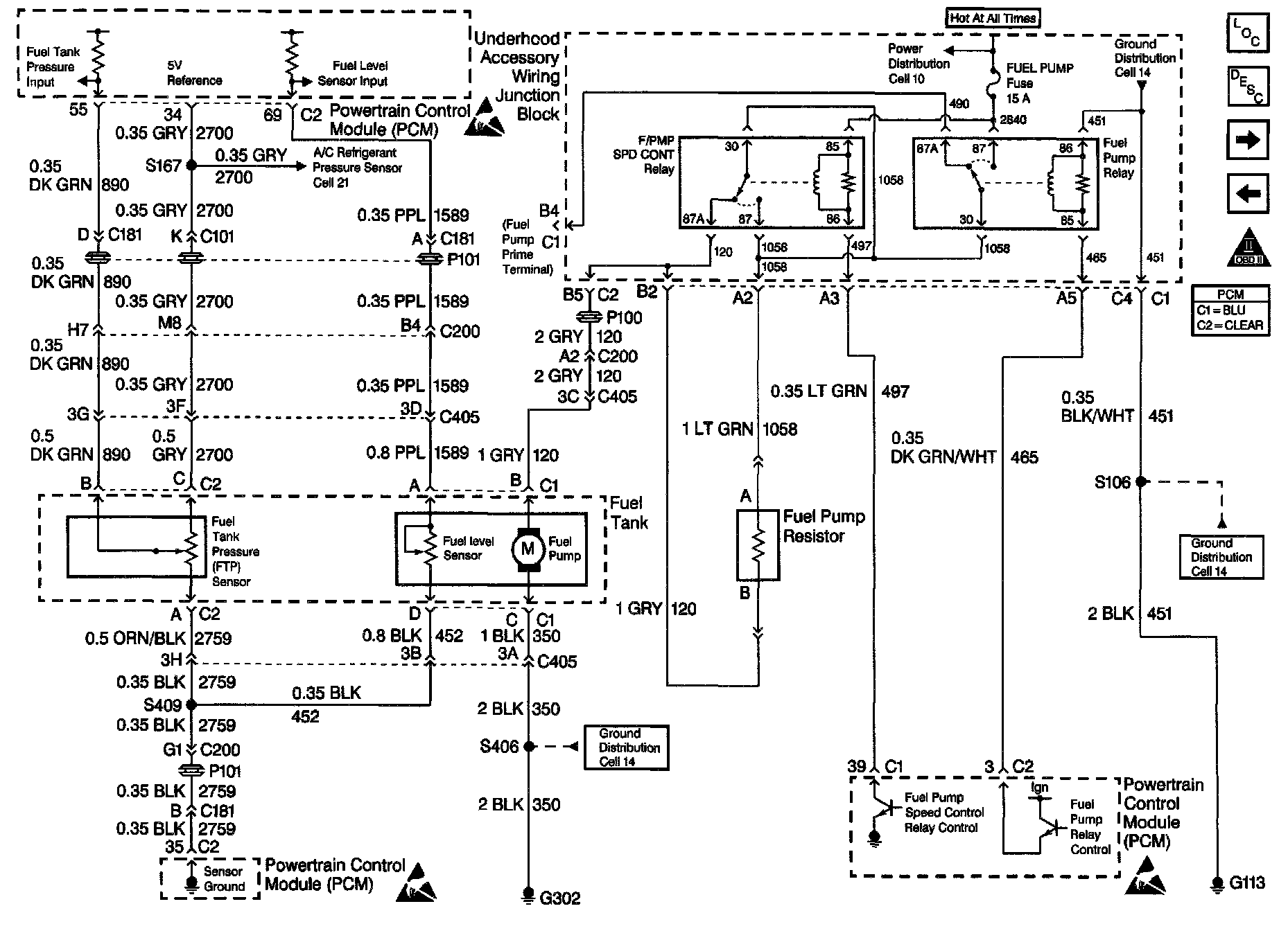
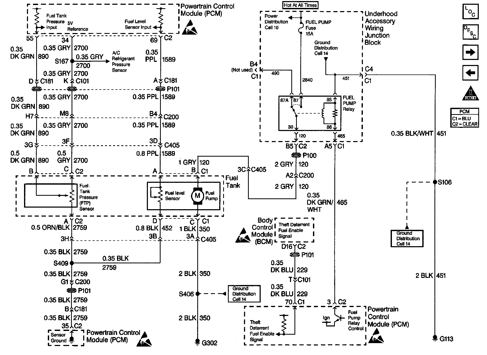
Fuel Control (Vin K)




Fuel Control (Vin 1)




Supercharger Boost Control Solenoid (Vin 1)




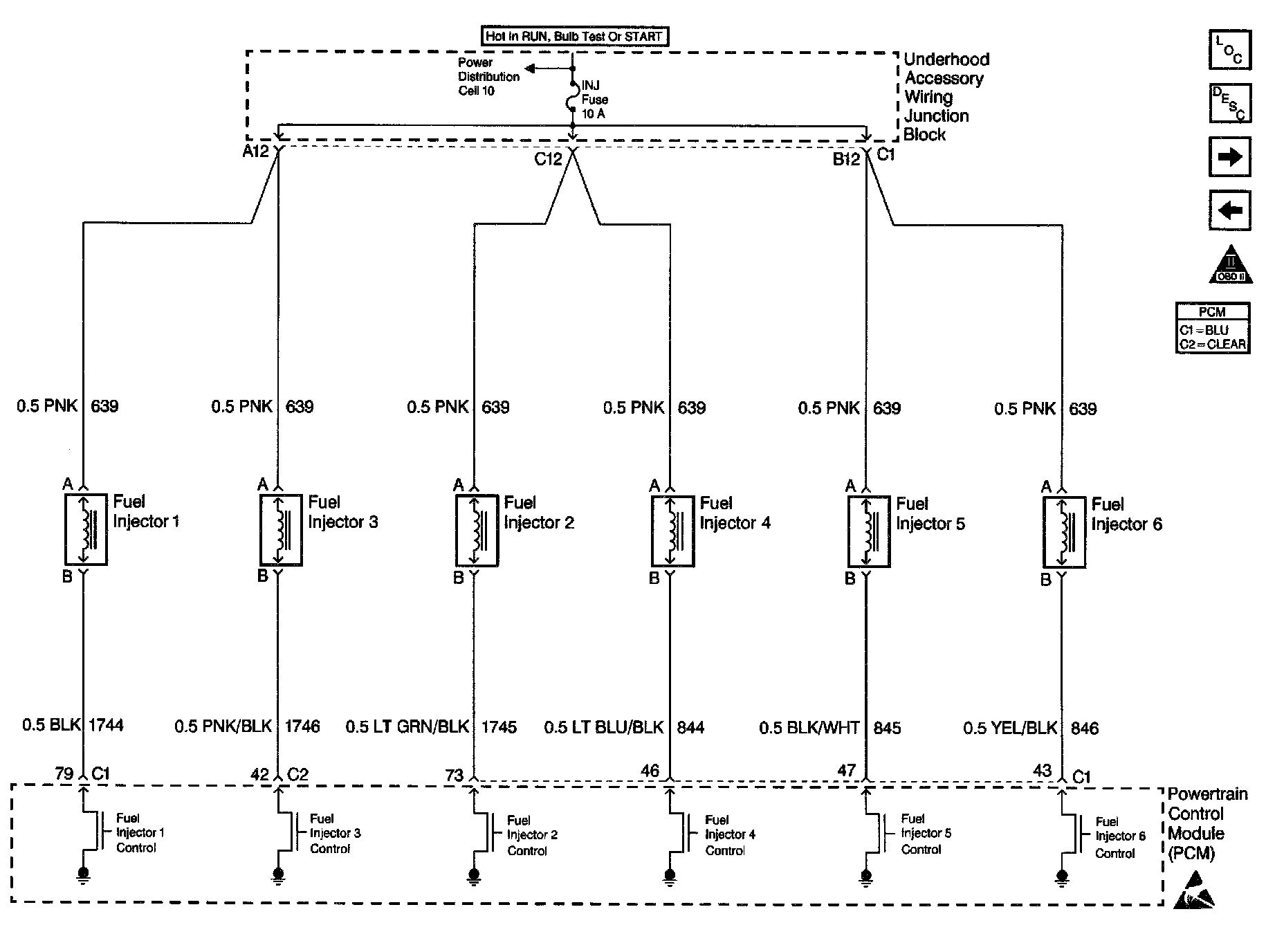
Fuel Injectors




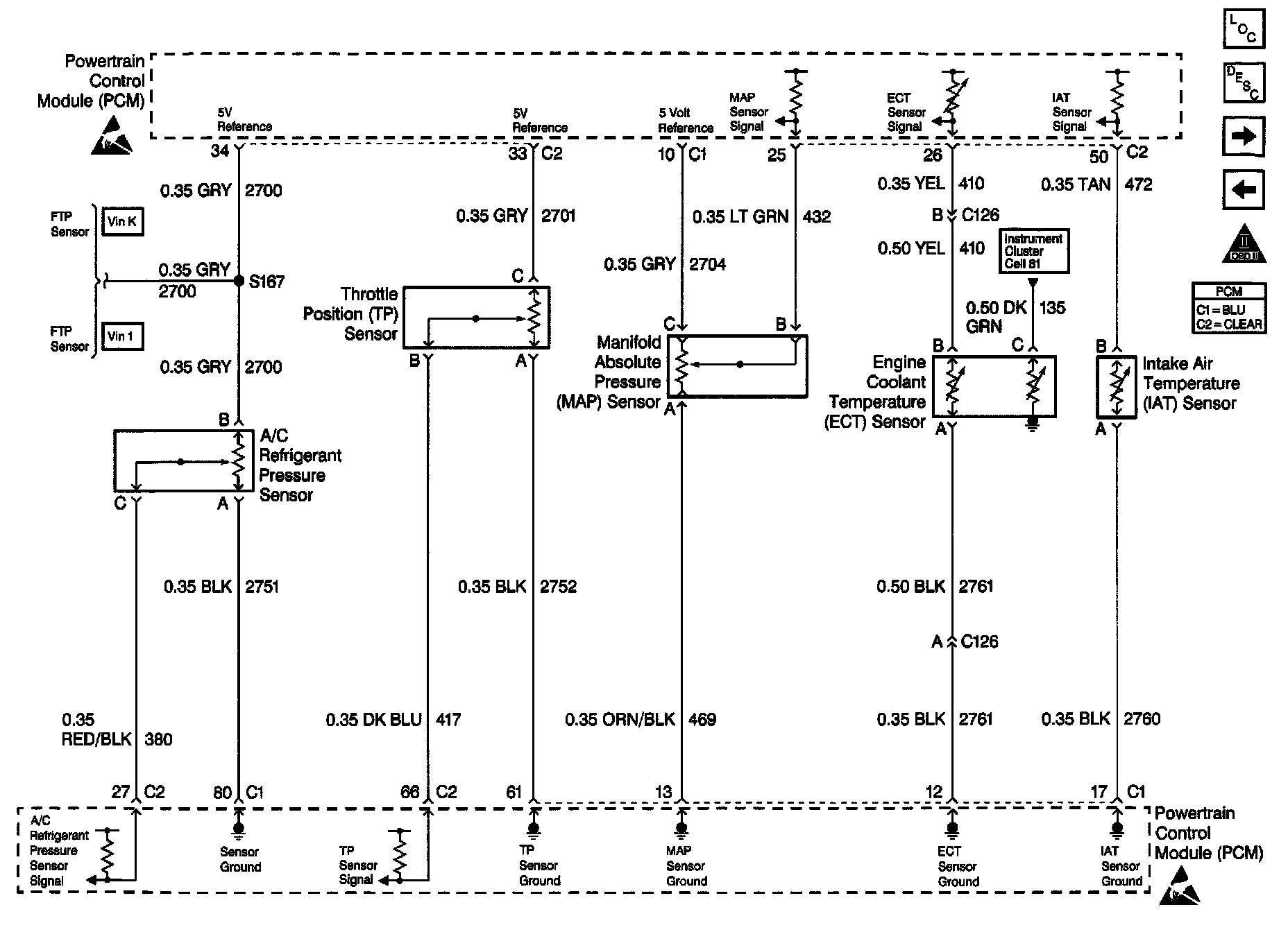
A/C Pressure, ECT, IAT, MAP and TP Sensors




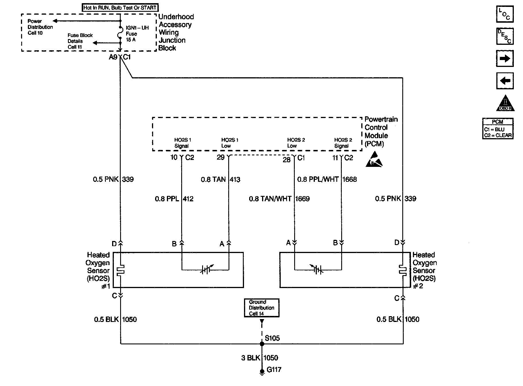
HO2S 1 and HO2S 2




Cruise and VSS




EGR, [1][2]EVAP Purge, EVAP Vent and MAF




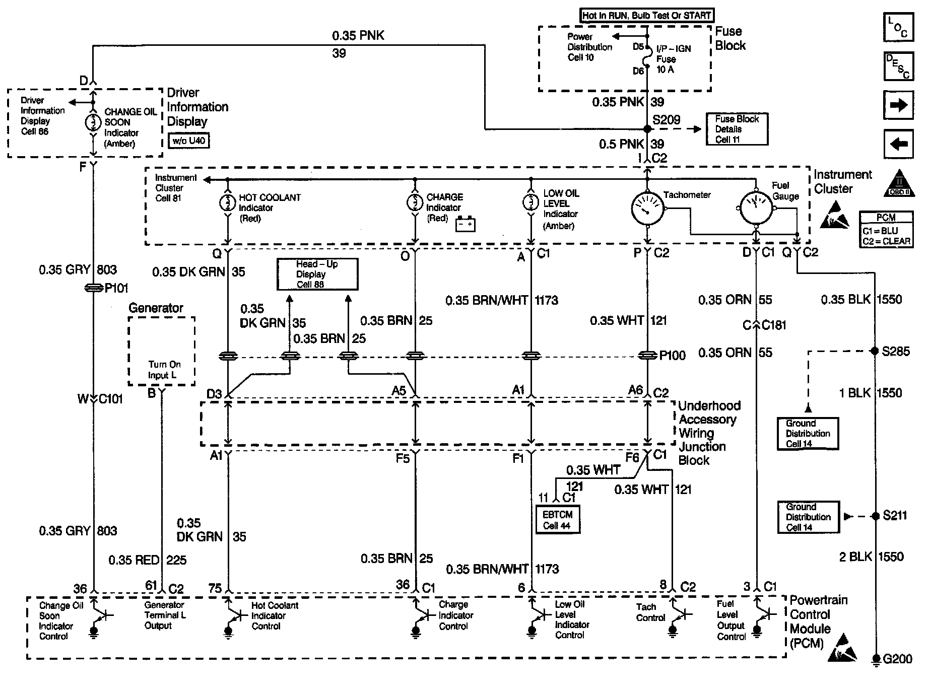
Indicator Lamps




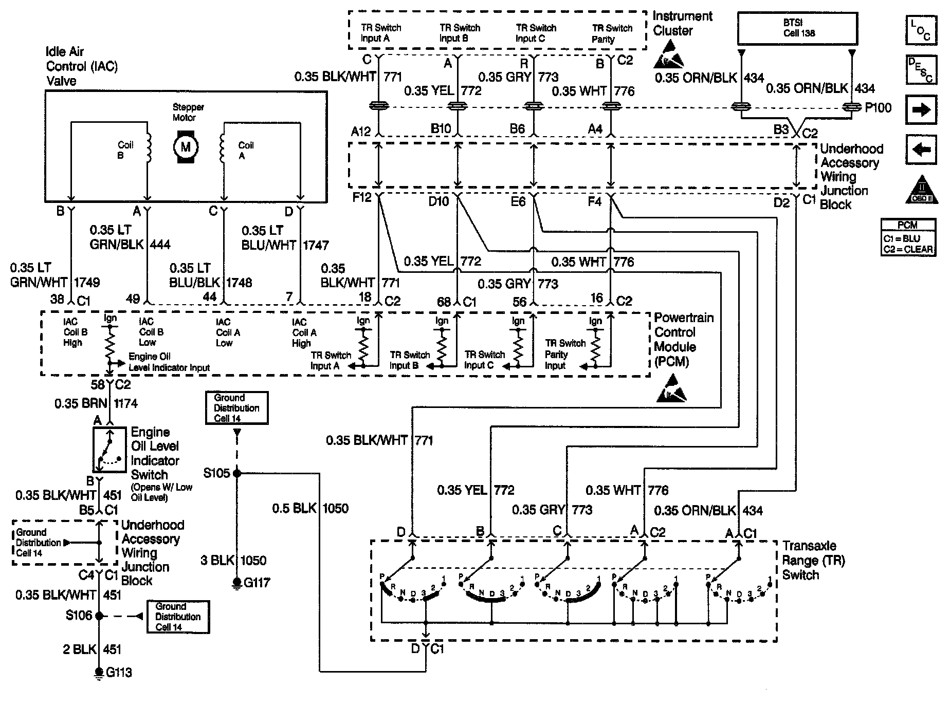
Transaxle Range Switch and IAC




Transaxle PC Solenoid and ISS Sensor




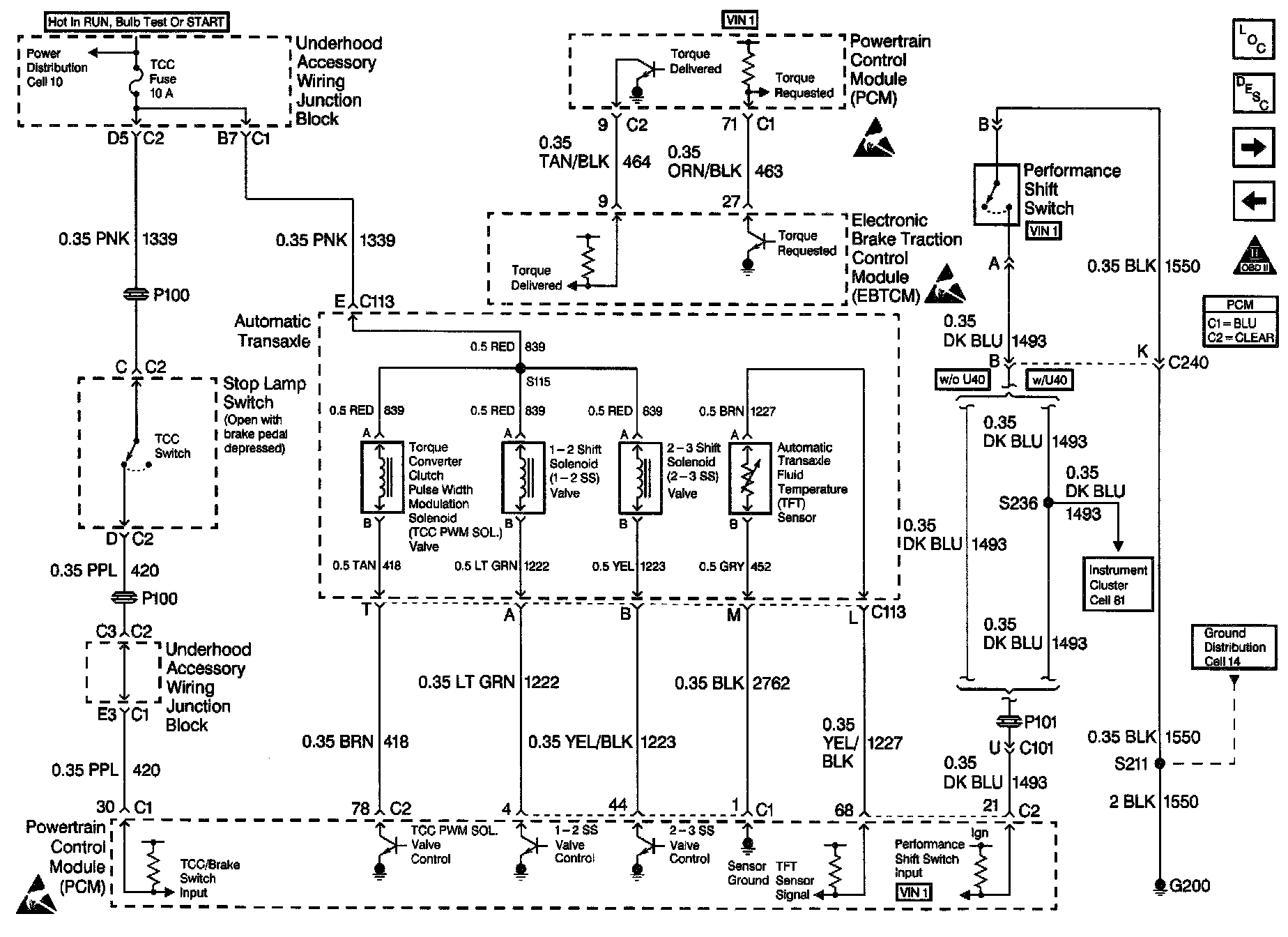
Transaxle Solenoids and TCC Switch




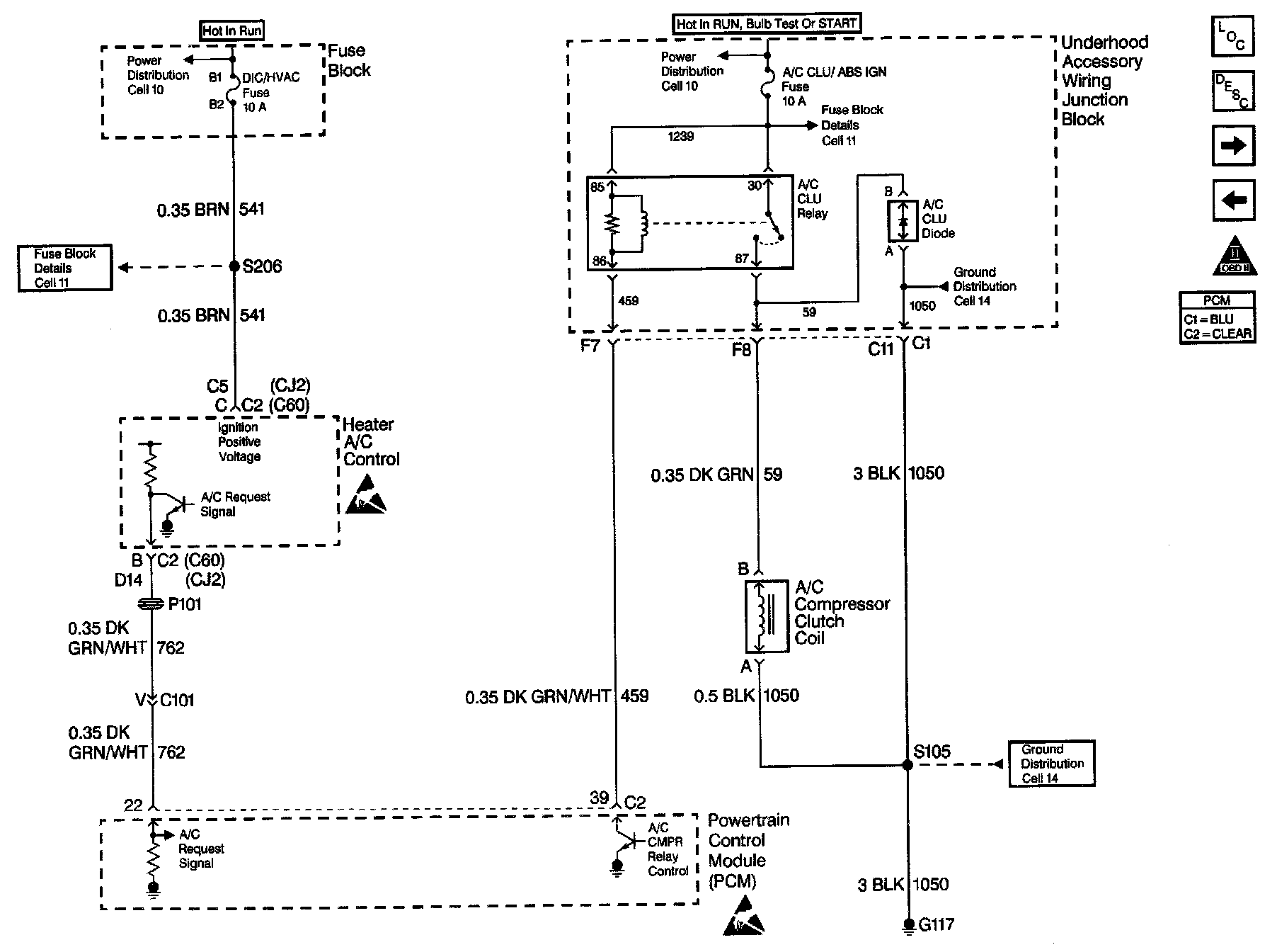
A/C Compressor Controls




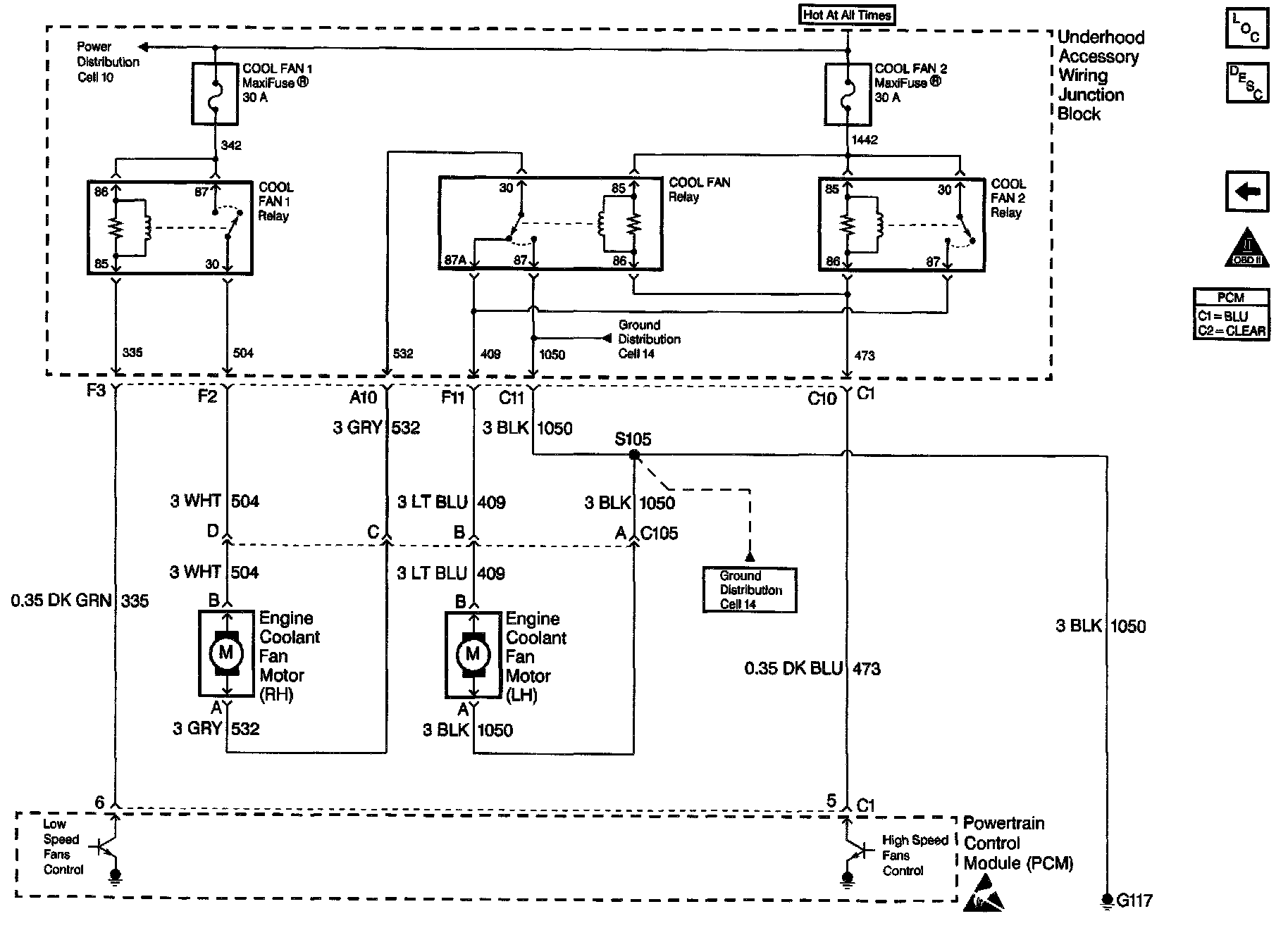
Coolant Fans