Operation CHARM: Car repair manuals for everyone.
Manuals through 2025 now available!

Our trusted friends have launched a new website named LEMON, which has newer manuals. It also contains all the CHARM manuals.

LEMON is the spiritual successor to CHARM, I recommend you try it!

Link: lemon-manuals.la or lemon-manuals.org.ua

(Some people have issue connecting. LEMON is investigating. For now, use Firefox or change your DNS server)

Or, hide this message: temporarily or permanently

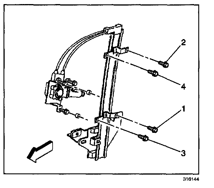
Front Door Window Regulator: Service and Repair

REMOVAL PROCEDURE





1. Remove the trim panel.
2. Remove the water deflector.
3. Remove the inner energy absorber pad.
4. Raise the window far enough in order to gain access through the door metal to the window to regulator bolts (2).
5. Remove the window to regulator bolts.
6. Raise the window to the full up position.
7. Tape the window in the full up position.
8. Disconnect the electrical connector.




9. Remove the regulator mounting bolts.
10. Remove the regulator from the door.

INSTALLATION PROCEDURE




1. Position the regulator in the door.

NOTE: Refer to Fastener Notice in Service Precautions.

IMPORTANT: In order to ensure proper orientation of the window regulator to the door, tighten the window regulator bolts in the specified sequence (1, 2, 3, 4).




2. Install the regulator mounting bolts.

Tighten
Tighten the window regulator bolts to 10 N.m (89 lb in).

3. Install the electrical connector.
4. Remove the tape supporting the window.
5. Lower the window far enough to gain access through the door metal to the bolts.
6. Install the window to regulator bolts.

Tighten
Tighten the window to regulator bolts to 10 N.m (89 lb in).

7. Install the inner energy absorber pad.
8. Install the water deflector.
9. Install the trim panel.