Transmitter Programming
Up to four transmitters may be programmed to one remote control door lock receiver. A transmitter may be programmed to more than one vehicle if the remote keyless entry systems are similar. All of the transmitters (maximum of 4 total per receiver) must be programmed at the same time in order for all of the transmitters to function properly.
IMPORTANT: Leave a window down in the vehicle while reprogramming the remote control door lock receiver system. The above action will prevent unintentional lock out if the reprogramming procedure is not performed properly.
1. Turn the ignition to the OFF position.
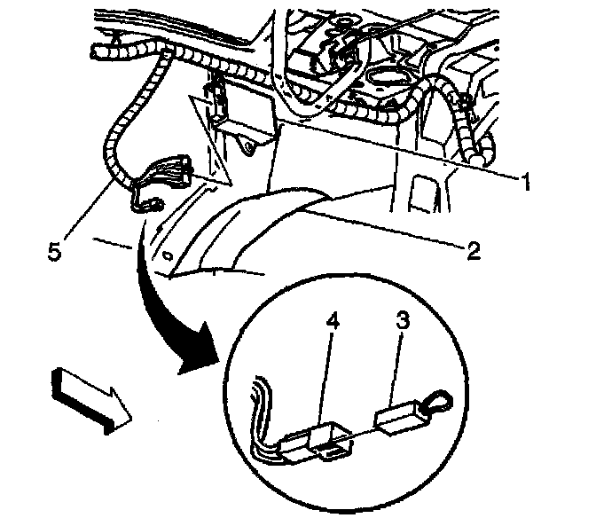
2. Jump the 2 terminals located in the program ground connector (4) in order to ground the receiver program terminal.
The following conditions indicate that the module is ready to be programmed:
^ The door locks will lock.
^ The door locks will unlock.
^ The rear compartment lid release will cycle.
^ The horn chirp will sound. The above conditions should occur within 2 seconds.
3. Press and hold the LOCK and the UNLOCK buttons simultaneously until the following conditions occur:
^ The door locks lock.
^ The door locks unlock.
^ The rear compartment lid release releases.
^ The horn chirp sounds.
The above conditions should occur in approximately 12 seconds. The above conditions verify successful transmitter reprogramming.
4. Perform the previous step for each of the remaining transmitters.
5. Remove the jumper at the program connector.
6. Verify the proper operation of each transmitter.